EasyManua.ls Logo

Volvo FL6 - Page 39

Volvo FL6
144 pages
Print Icon
To Next Page IconTo Next Page
To Next Page IconTo Next Page
To Previous Page IconTo Previous Page
To Previous Page IconTo Previous Page
Loading...
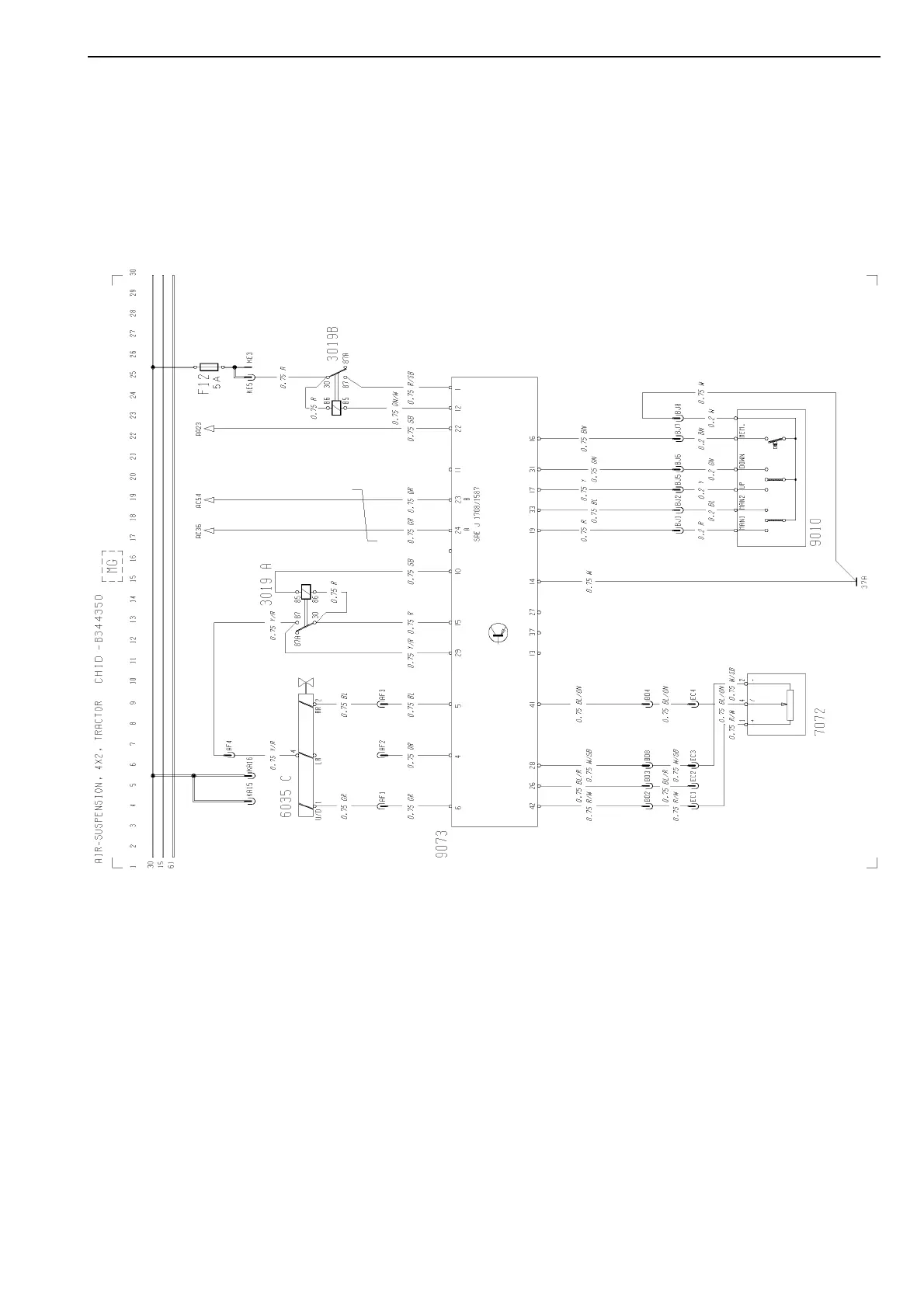
Group 37 Wiring diagram FL6 Component wiring diagrams
T3017187
37

Related product manuals