EasyManua.ls Logo

Volvo FL6 - Examples of Symbols on Wiring Diagram

Volvo FL6
144 pages
Print Icon
To Next Page IconTo Next Page
To Next Page IconTo Next Page
To Previous Page IconTo Previous Page
To Previous Page IconTo Previous Page
Loading...
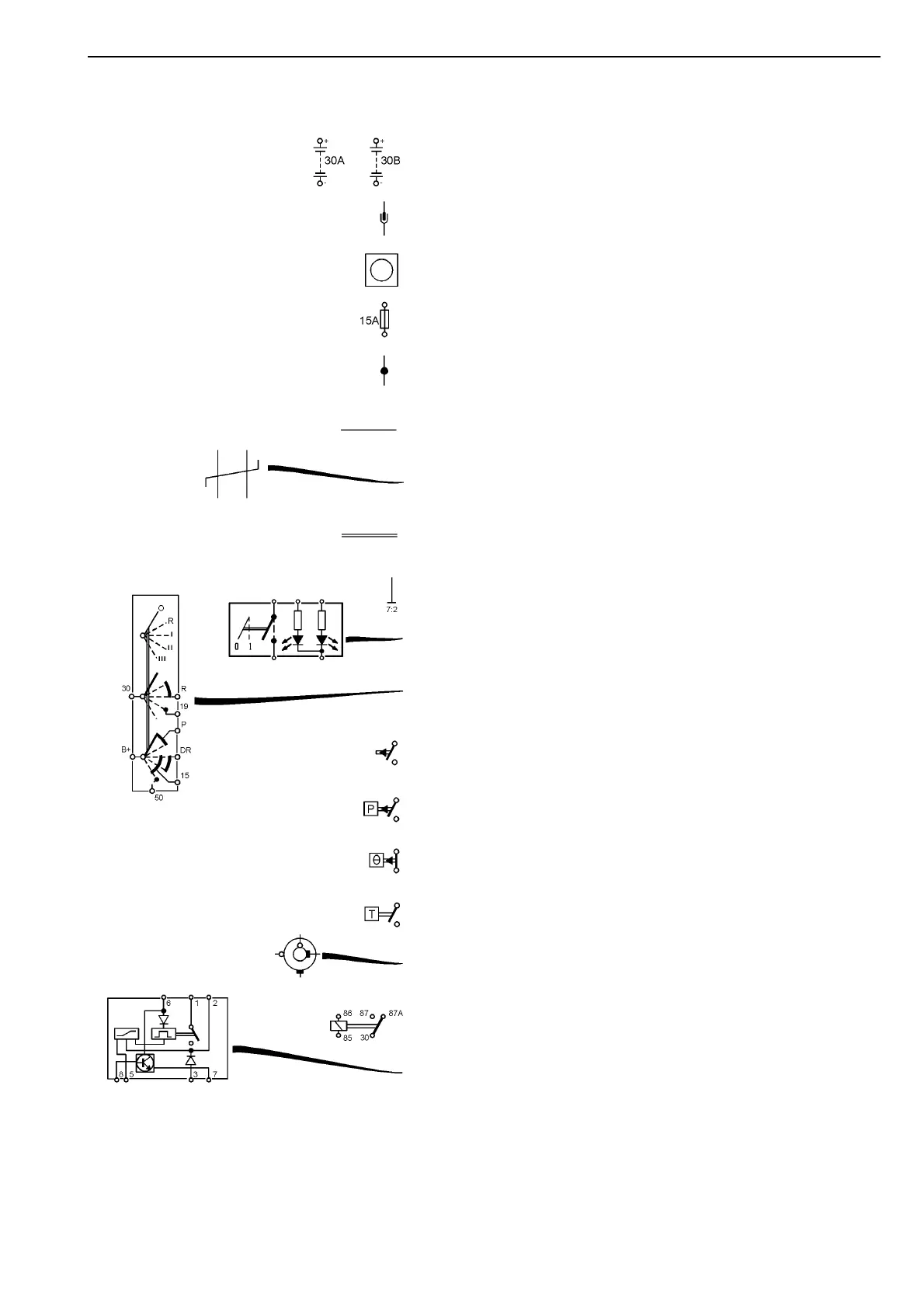
Group 37 Wiring diagram FL6 Examples of symbols on wiring diagram
Examples of symbols on wiring diagram
T3009609
Battery
Connector
Junktion
Fuse
Joint sleeve
Cable
Twisted cables
Conductor on circuit card
Earth connection and cable
Switch
Switch, starting switch
Closing contakt
Closing contakt, pressure-regulated
Break contakt, temperature-regulated
Closing contakt, time-regulated
Slip contakt, horn
Relay
Relay with internal circuit diagram
3

Related product manuals