EasyManua.ls Logo

Volvo FL6 - Page 44

Volvo FL6
144 pages
Print Icon
To Next Page IconTo Next Page
To Next Page IconTo Next Page
To Previous Page IconTo Previous Page
To Previous Page IconTo Previous Page
Loading...
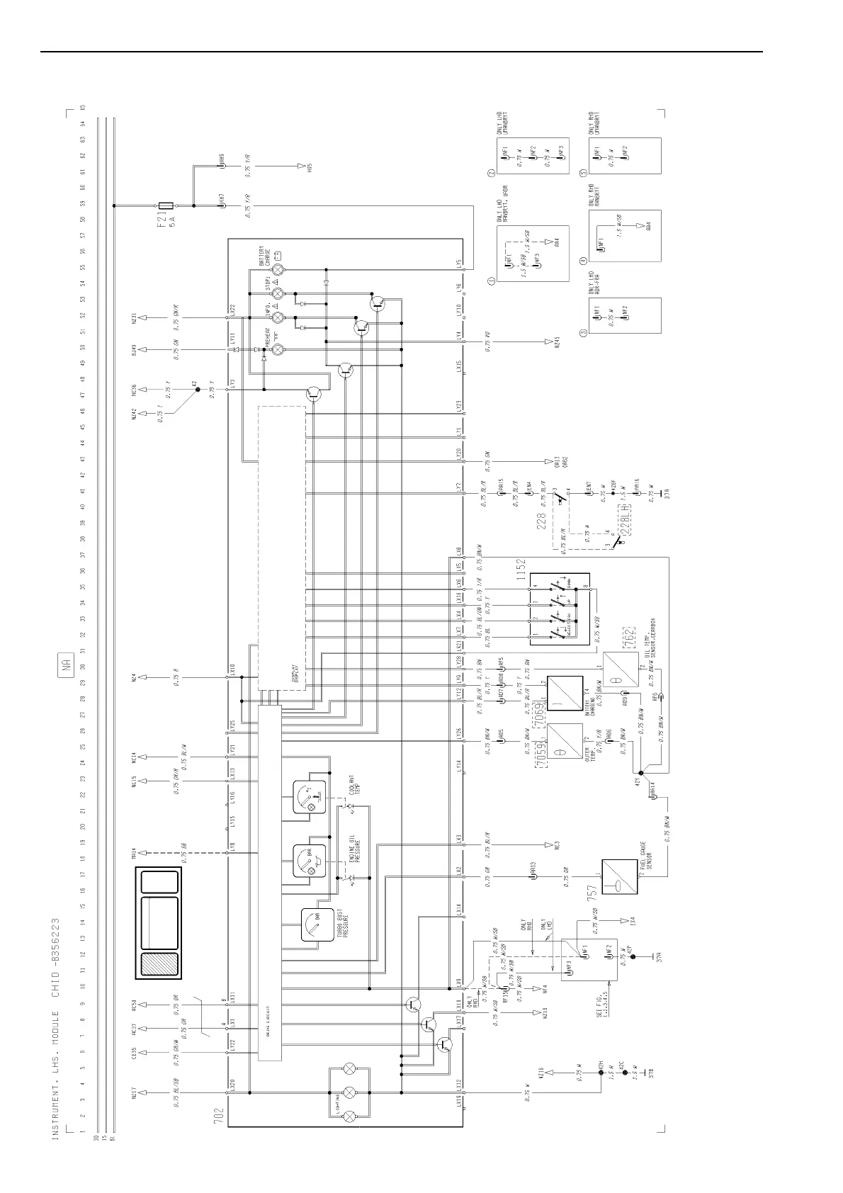
Group 37 Wiring diagram FL6 Component wiring diagrams
T3017192
42

Related product manuals