EasyManua.ls Logo

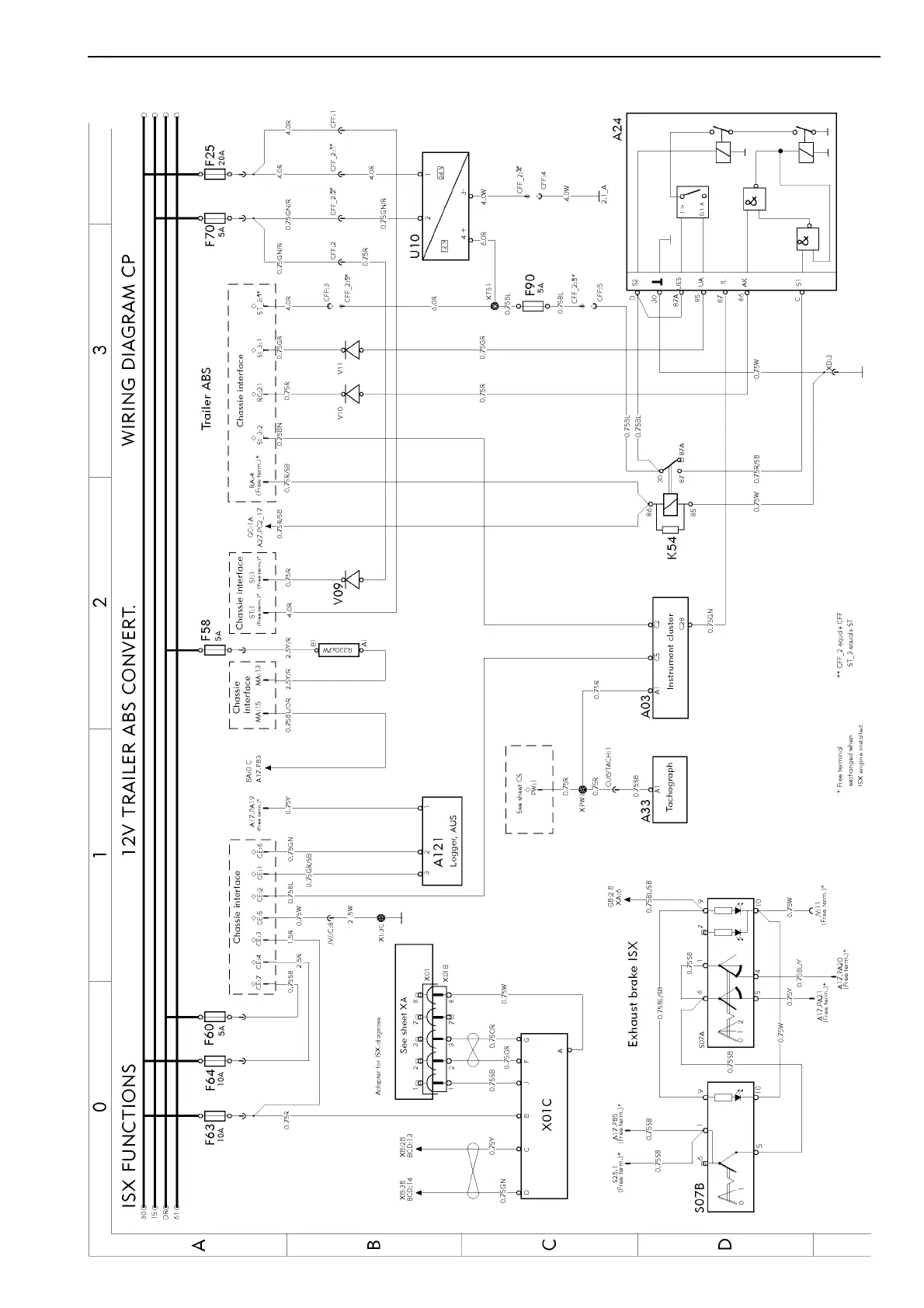
Volvo NH12 VERSION2 - ISX Functions; 12 V Trailer ABS Convert

Volvo NH12 VERSION2
256 pages
Print Icon
To Next Page IconTo Next Page
To Next Page IconTo Next Page
To Previous Page IconTo Previous Page
To Previous Page IconTo Previous Page
Loading...
D
Group 37 Wiring diagram FM, FH, NH12 Component wiring diagrams
T3019444
31

Table of Contents