EasyManua.ls Logo

Vortice C HCS - Page 25

Vortice C HCS
38 pages
Print Icon
To Next Page IconTo Next Page
To Next Page IconTo Next Page
To Previous Page IconTo Previous Page
To Previous Page IconTo Previous Page
Loading...
13
12
10
11
VORT HR 200
VORT HR 200
25
12
*
*
*
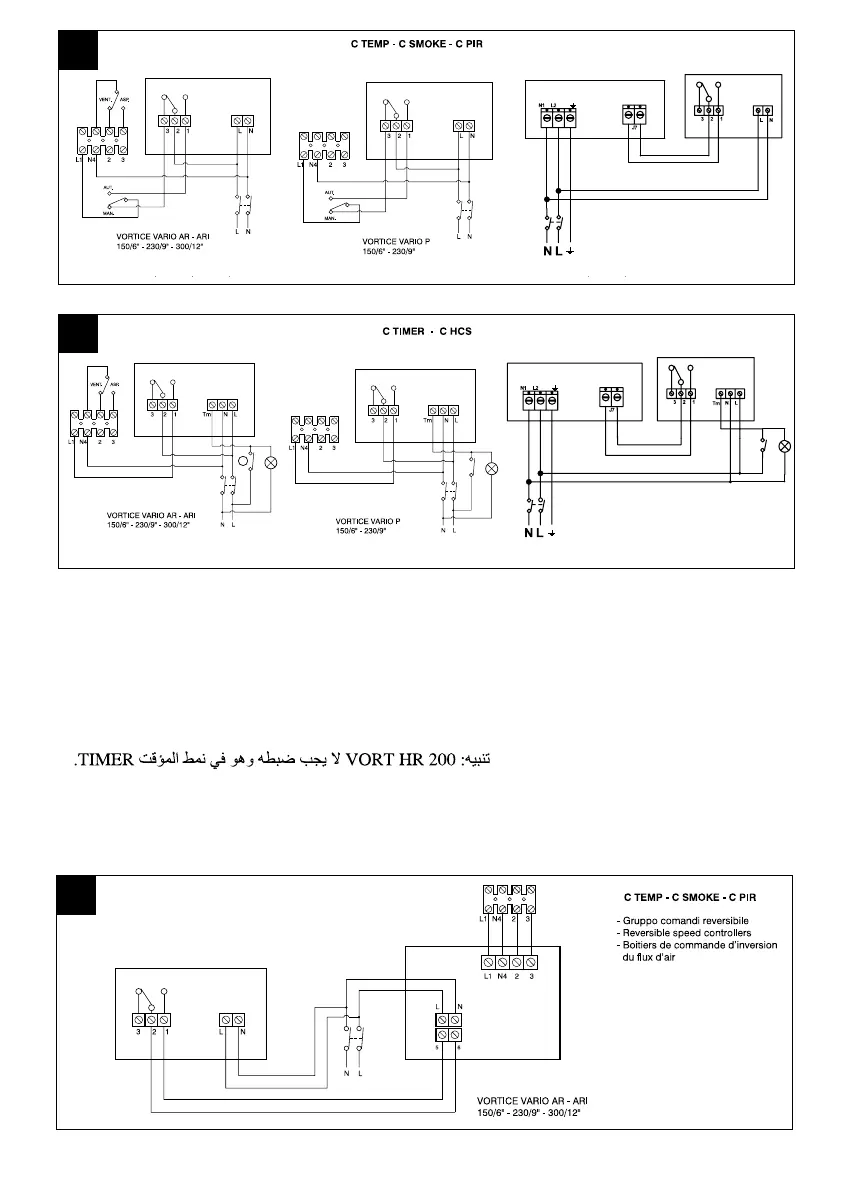
ATTENZIONE: il VORT HR 200 non deve essere settato in modalità TIMER
N.B.The VORT HR 200 must not be set in TIMER mode
ATTENTION : le VORT HR 200 ne doit pas être réglé en mode TIMER (minuterie)
ACHTUNG: Im Modus TIMER dürfen am VORT HR 200 keine Einstellungen vorgenommen werden
ATENCIÓN: el VORT HR 200 no debe quedar programado en modalidad TIMER
ATENÇÃO: o VORT HR 200 não deve ser regulado no modo TIMER (TEMPORIZADOR).
LET OP: de VORT HR 200 mag niet op de TIMER-modus ingesteld worden
OBS! VORT HR 200 får inte vara inställd i timerläge
PAS : VORT HR 200 ikke indstilles til funktionen TIMER
ВНИМАНИЕ! Прибор VORT HR 200 не следует настраивать в режиме «ТАЙМЕР».
VORT HR 200
TIMER(
)

Table of Contents