EasyManua.ls Logo

Votronic VPC Terra - System Overview; Display Panel Installation; Solar Controller Connection; Tank Sensor Connection

Votronic VPC Terra
8 pages
Print Icon
To Next Page IconTo Next Page
To Next Page IconTo Next Page
To Previous Page IconTo Previous Page
To Previous Page IconTo Previous Page
Loading...
- 2 -
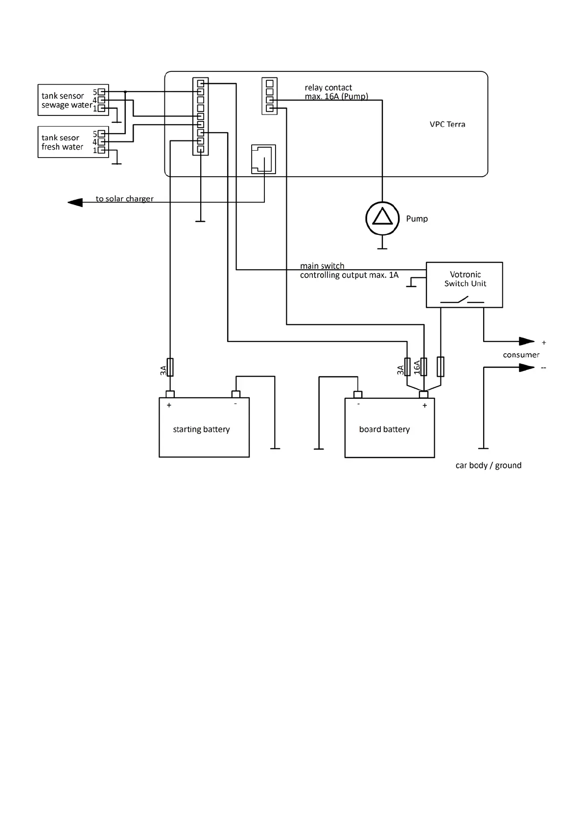
System Overview:
Installation and Connection:
Display and Control Panel (Display Panel)
Choose a central and easily accessible location in the living area for installation of the display panel. This will facilitate the
legibility of the information and the operation of the functions. The clear width of the cutout is at least 184 x 57 mm.
If possible, the rear cutout opening should be covered with electrically nonconducting material to ensure efficient
protection of the electronic system and full utilization of the storage space, which might be located behind.
Solar Controller:
The VOTRONIC Solar Controller is connected directly at the display panel by a plug-and-go 6-pole data cable (see available
accessories).
Tank Sensors
A VOTRONIC tank sensor with continuous output signal is to be installed at the corresponding tank according to the
installation instructions. The connections of the tank sensor are to be coupled with the VPC Terra, as indicated in the
connection plan. The cross-section of the cables should be min. 0.75 mm². The current supply for the tank sensors by the
VPC is restricted to the time, in which the levels are interrogated at the display.

Related product manuals