EasyManua.ls Logo

VuQube VQ2000 - Page 6

VuQube VQ2000
28 pages
Print Icon
To Next Page IconTo Next Page
To Next Page IconTo Next Page
To Previous Page IconTo Previous Page
To Previous Page IconTo Previous Page
Loading...
Page 4
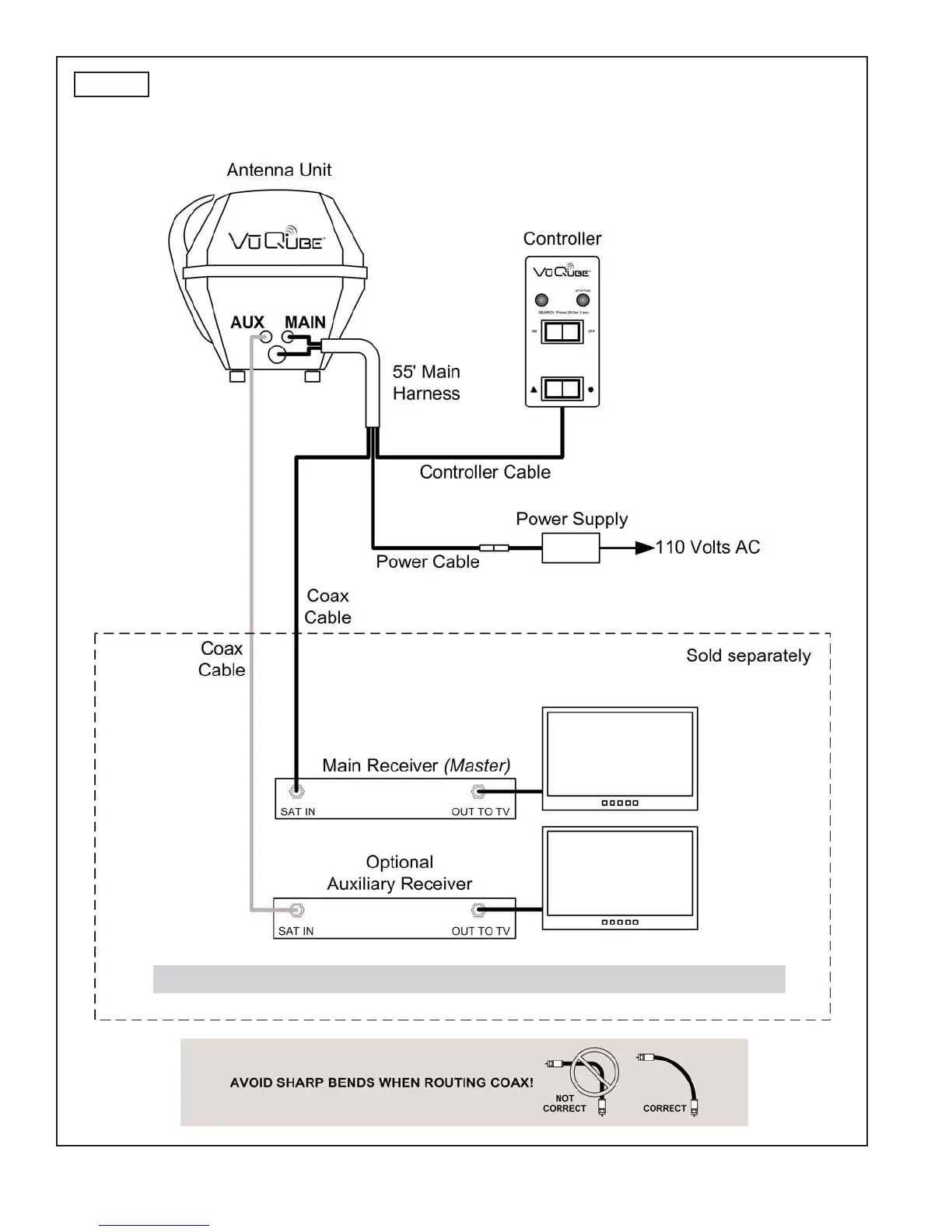
CONNECTION DIAGRAM
VuQube Model VQ2000 - Portable
Fig. 4
Note: HDTV receivers require HDMI or component video/audio cable connection to TV.