EasyManua.ls Logo

W'eau WFI-005 - Page 13

W'eau WFI-005
64 pages
Print Icon
To Next Page IconTo Next Page
To Next Page IconTo Next Page
To Previous Page IconTo Previous Page
To Previous Page IconTo Previous Page
Loading...
- 11 -
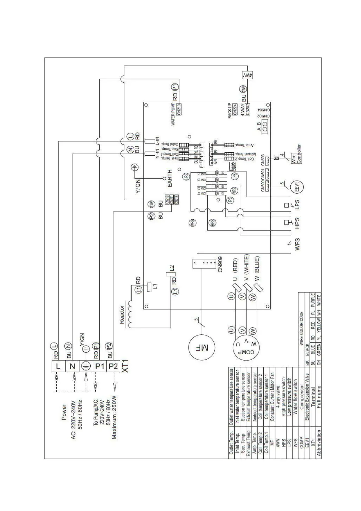
WFI-013/017/021