EasyManua.ls Logo

Wabtec PROD0842 - Page 39

Wabtec PROD0842
78 pages
Print Icon
To Next Page IconTo Next Page
To Next Page IconTo Next Page
To Previous Page IconTo Previous Page
To Previous Page IconTo Previous Page
Loading...
39
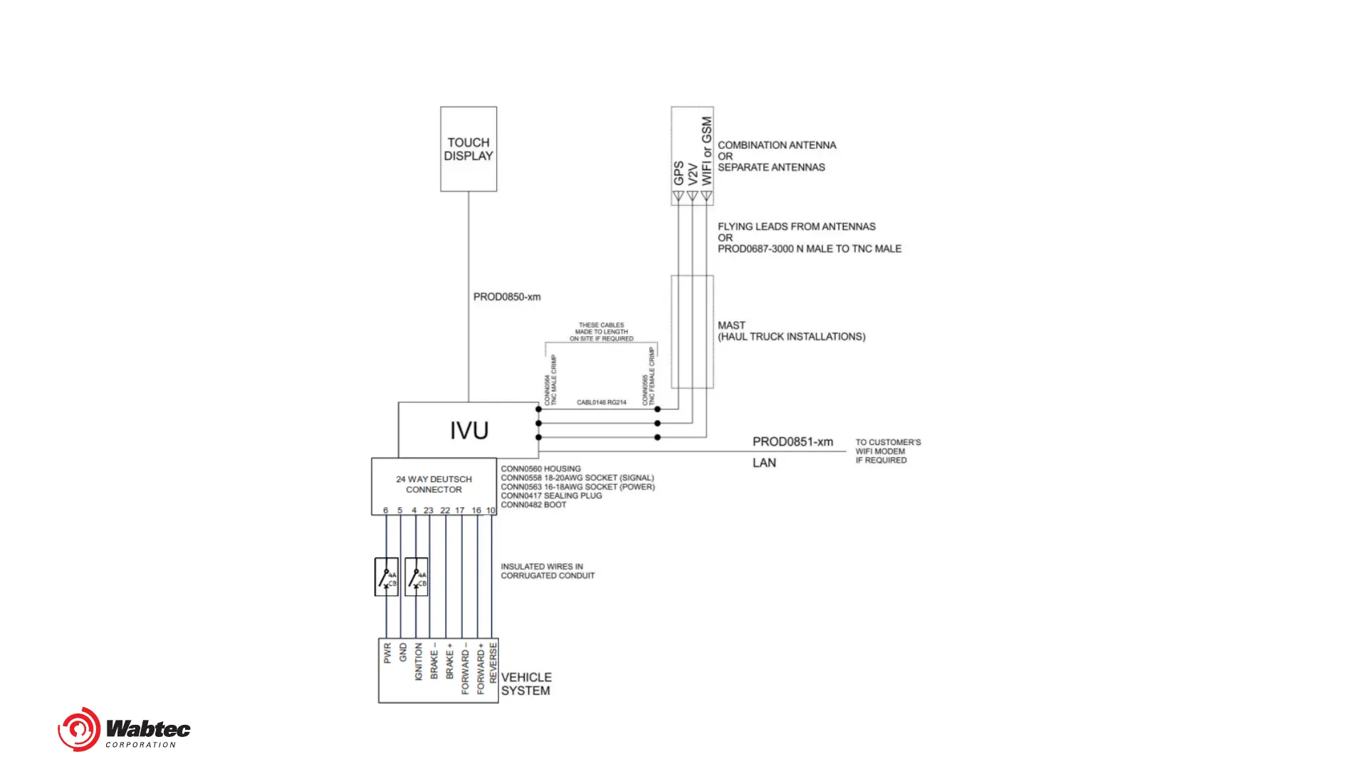
CAS-GPS IVU BASIC SYSTEMS INSTALLATION MANUAL DOCU0085 Revision Q
Input Power & Signal Connections Basic CAS-GPS