EasyManua.ls Logo

Wachendorff OPUS A3 - Cut-out Dashboard

Wachendorff OPUS A3
36 pages
Print Icon
To Next Page IconTo Next Page
To Next Page IconTo Next Page
To Previous Page IconTo Previous Page
To Previous Page IconTo Previous Page
Loading...
".
1932
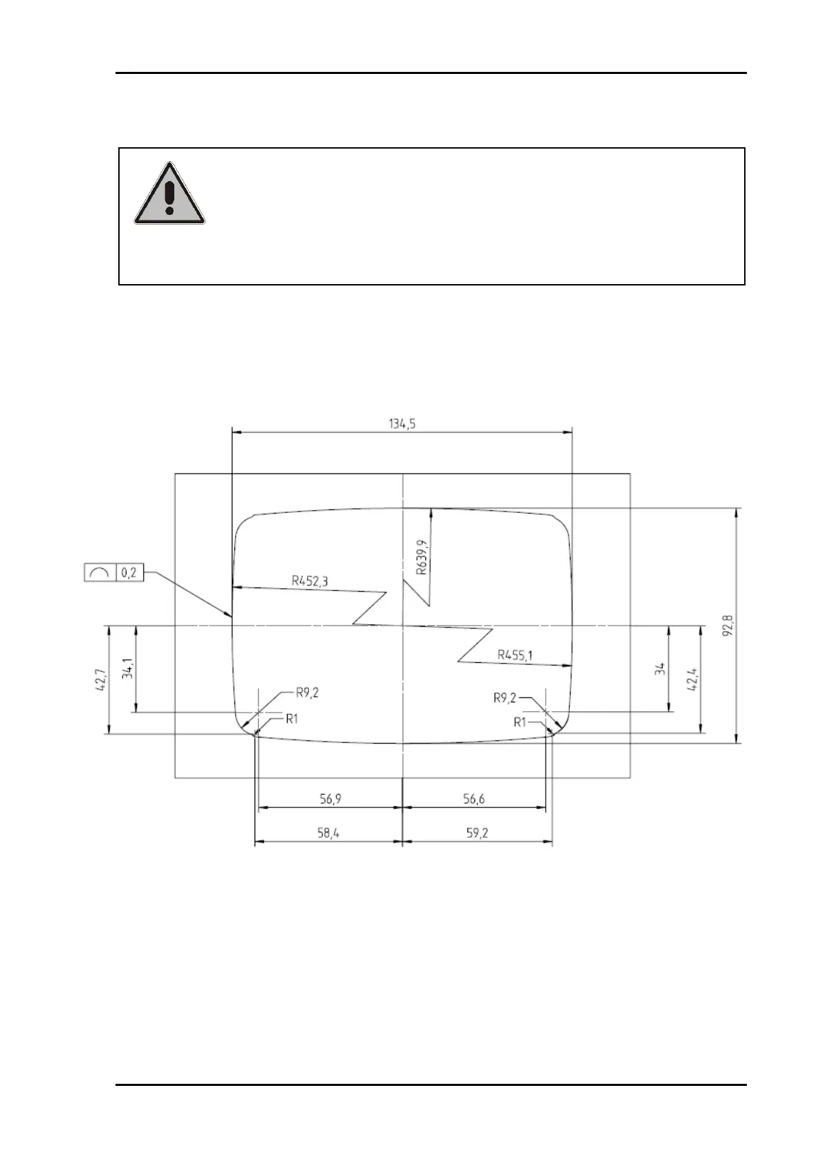
4.2.5 Cut-out Dashboard
/-$, .1
Attention!
Using too long screws can damage the unit!
Accepted mounting torque with mounting cover is 2,5 ± 0,2 Nm.
Please secure the screws with the thread locker medium
strength (e.g. Loctite 243)