EasyManua.ls Logo

Wacker Neuson 0620058 - Assembling the Exciter Bearings

Wacker Neuson 0620058
138 pages
Print Icon
To Next Page IconTo Next Page
To Next Page IconTo Next Page
To Previous Page IconTo Previous Page
To Previous Page IconTo Previous Page
Loading...
RD 12/RD 12A Disassembly & Assembly
wc_tx000671gb.fm 95
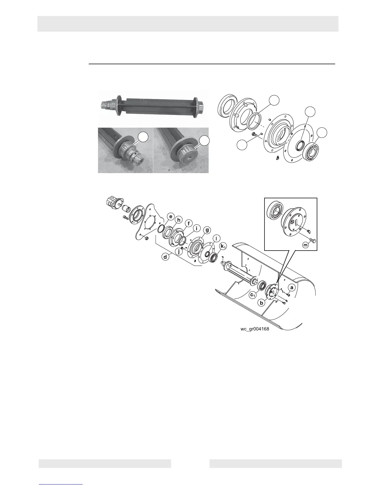
9.20 Assembling the Exciter Bearings
Prerequisites Front drum removed
Procedure Follow the procedure below to assemble the exciter bearings.
1. Press new inner bearing races (c2 and k2) onto the exciter.
2. Install the outer bearing race into the drive-motor-side bearing flange (b).
3. Using Loctite 234 on the six screws (a), secure the drive-motor-side bearing flange to
the drum. Torque the screws to 49 Nm (36 ft.lbs.).
This procedure continues on the next page.
wc_gr004172
k2
c2
wc_gr004244
i
l
j
k
1

Table of Contents

Related product manuals