EasyManua.ls Logo

Wacker Neuson BS 500 - Page 112

Wacker Neuson BS 500
156 pages
Print Icon
To Next Page IconTo Next Page
To Next Page IconTo Next Page
To Previous Page IconTo Previous Page
To Previous Page IconTo Previous Page
Loading...
Crankcase Rammer Repair
112 wc_tx001548gb.fm
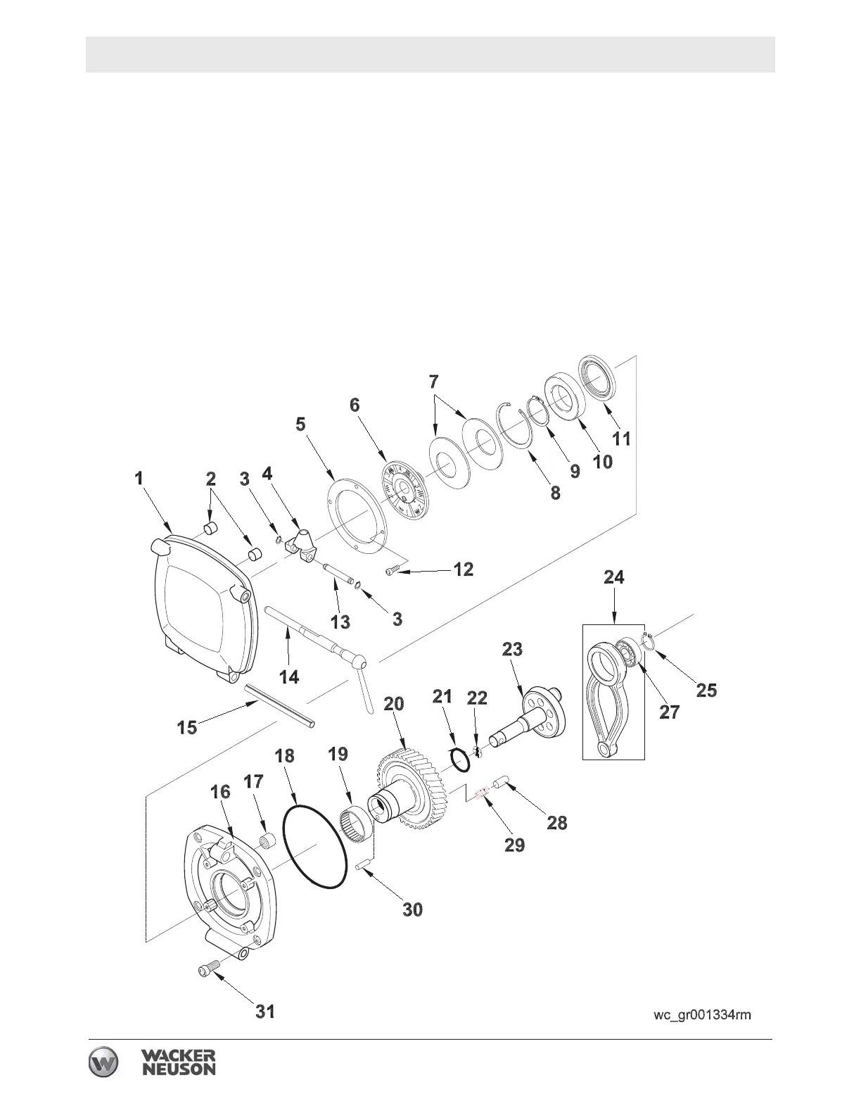
6.2.13 The crankgear needle bearing (19), oil seal (11), and ball bearing (10)
remain intact in the bearing mount.
Examine the needle bearings for wear.
If damaged, replace the needle bearings by removing the large retain-
ing ring (8) holding the ball bearing to the bearing mount and press
out the needle bearings and seal.
Replace the needle bearings and oil seal together.
6.2.14 Remove the O-ring (18) and discard it.
6.2.15 The clutch drum needle bearing (17) will remain intact in the bearing
mount. Inspect it for wear and if damaged, remove and replace it.

Table of Contents

Related product manuals