EasyManua.ls Logo

Wacker Neuson G70 - Esquema de Conexiones Eléctricas del Generador y el Terminal(Bornera) de Cables

Wacker Neuson G70
84 pages
Print Icon
To Next Page IconTo Next Page
To Next Page IconTo Next Page
To Previous Page IconTo Previous Page
To Previous Page IconTo Previous Page
Loading...
2C-6
2C MANTENIMIENTO G50/G70/G85
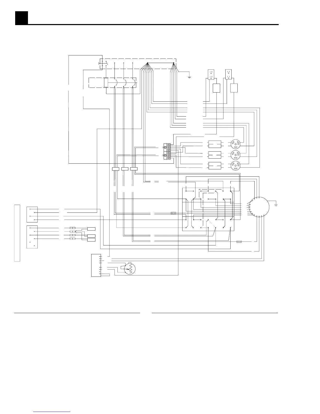
2.10 Esquema de conexiones eléctricas del generador y el terminal (bornera) de
cables
LL
T9
T7
Br
G/Y
T6
T8
T10
T11
T7
F+
T12
T3
T1
F-
T2
17
21
25
T9
18
22
26
59
13
T5
6
10 14
19
20
23
24
27
28
7
8
11
12
15
16
1
T4
2
L0
3
4
L1
L3
L2
L3
24
L1
23
L2
O
CT-2
CT-1
CT-3
Br
W
F+
F-
W
F-
F+
3
60HZ
50HZ
4
6
7
L3
L0
3
L2
L1
CT3
CT2
CT2
CT COMMON
2
4
4
1
2
6
5
1
3
L0
Br
1
2
3
4
5
7
CT-1
12
13
11
LL
Y
O
Y
Br
Br
Br
B
B
B
7
6
CT-2
CT-3
B
B
Br
B
B
B
B
B
B
B
9
10
16
15
14
9
9
9
Br
LL
LL
LL
LL
G/Y
G/Y
G/Y
G/Y
B
B
B
B
B
B
B
B
B
B
B
B
B
B
B
6
8
9
8
9
8
1028SD98
Descripción
1. Interruptor limitador de terminal
2. Terminales mecánicos
3. Barra colectiva (colectora)
4. Interruptor principal de circuito
5. Derivación
6. Interruptor de 120 V 20 A
7. Tomacorriente de 120 V con disyuntor
8. Interruptor de 240 V 50 A
9. Tomacorriente de 240 V 50 A
10. Módulo de control del motor
11. Clavija 4 - entrada tensión de línea
12. Clavija 3 - entrada transformador de corriente
13. Interruptor selector de voltaje (tensión)
14. Generador
15. Regulador de voltaje
16. Reóstato de ajuste para voltaje (tensión)
Descripción

Table of Contents

Related product manuals