EasyManua.ls Logo

Wacker Neuson ST11 - Page 49

Wacker Neuson ST11
61 pages
Print Icon
To Next Page IconTo Next Page
To Next Page IconTo Next Page
To Previous Page IconTo Previous Page
To Previous Page IconTo Previous Page
Loading...
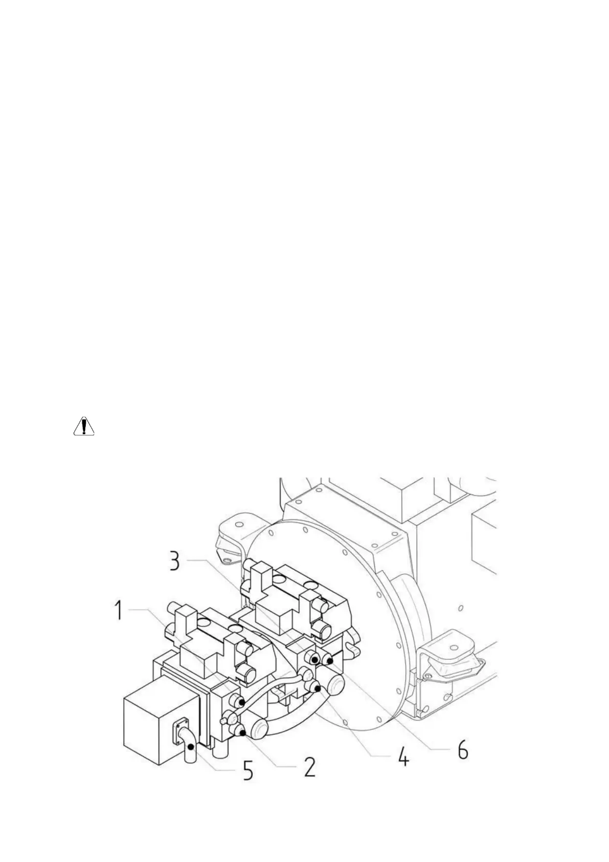
HYDRAULIC SYSTEM PRESSIONS CALIBRATION
Every skid steer loader or part of it is scrupulously controlled and inspected so as to supply the client
with a perfectly efficient and functional plant from a mechanical, electrical and hydraulic pointof
view.
To make the inspection of the hydraulic system as easy as possible, the machine is equipped with
M16 x 2 quick-coupling fittings on which the pressure calibration values of the single mechanisms
may be checked.
The attachment for detection of pressures for traversing are positioned on the left side of the
transmission pump, visible with the cabin raised; points 1, 2, 3, 4.
POINT 1: - FORWARD movement left track
POINT 2: - REVERSE movement left track
POINT 3: - FORWARD movement right track
POINT 4: - REVERSE movement right track
The attachment for detection of plant service pressures, point 5, must be positioned at the end of
the flanged connection on the pump.
The attachment for detection of feed pressures of servo-controls, point 6, is positioned on the
rear left side of the transmission pump.
The pressions verification and control must be done by a specialized personneland if it is
possible in an Authorized Shop
Page 49 of 61
Item – Rev(s): 8009641121– 101

Related product manuals