EasyManua.ls Logo

Waitrack GPS Vehicle tracker - Device Wiring Diagram; Cautions of Device Wiring

Default Icon
20 pages
Print Icon
To Next Page IconTo Next Page
To Next Page IconTo Next Page
To Previous Page IconTo Previous Page
To Previous Page IconTo Previous Page
Loading...
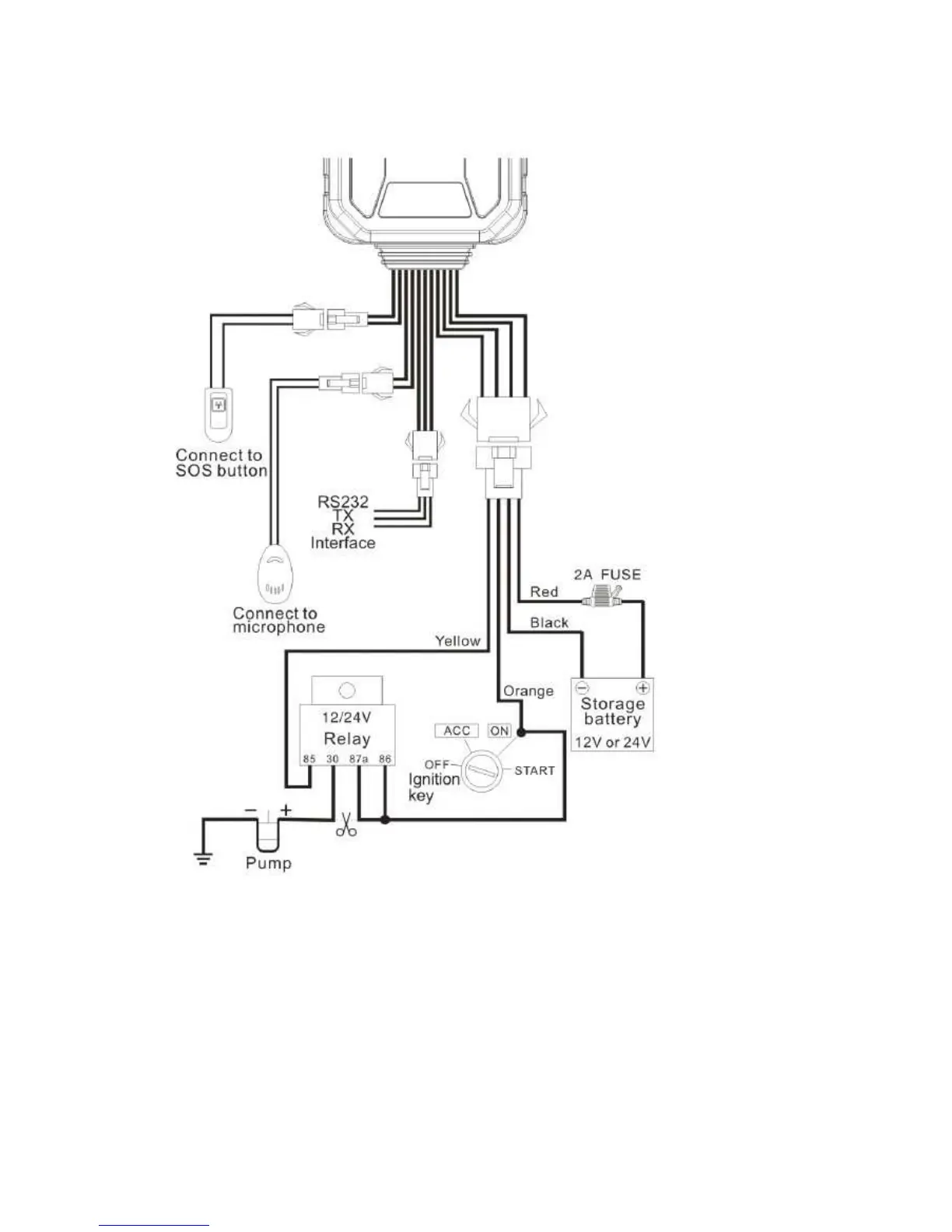
4.4 Device wiring diagram
5. Cautions of device wiring
5.1 Power/ACC/Tele-cutoff (petrol/electricity) control line (4
pin)
5.1.1 The standard voltage is 9V-36VDC. Please use the power line which
provided by the manufacturer. The red line is the positive. The black line is the