EasyManua.ls Logo

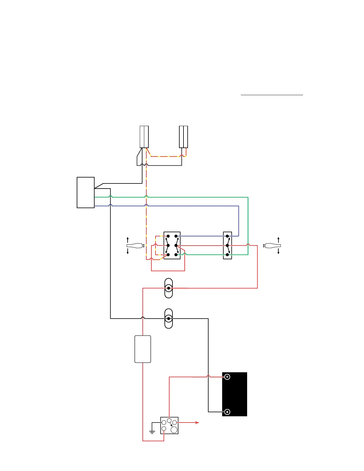
Walker Hi-Dump - Electrical Schematic

Walker Hi-Dump
6 pages
Print Icon
To Previous Page IconTo Previous Page
To Previous Page IconTo Previous Page
Loading...
BATTERY
WALKER HD8400
Beginning S/N 2008-1708
ELECTRICAL SCHEMATIC
40 AMP
CIRCUIT
BREAKER
RED
REDRED
RED
RED
RED/
YEL
RED/
YEL
REDRED
RED
GRN GRN
BLU BLU
RED
GRN
BLU
RED
RED
RED
RED
BLK
BLK
BLK
Hydraulic
Valve
Block
Coil
LIFT
SWITCH
DUMP
SWITCH
BLU
GRN
UP
DOWN
OFF
Hydraulic
Valve
Block
Coil
JUNCTION
BOX
JUNCTION
BOX
To Red Wire on Time-Delay Harness
UP
DOWN
OFF
BLK
BLK
RED/YEL
RED/
YEL
Hydraulic
Pump
87
85
87A
30
BLK
86

Related product manuals