EasyManua.ls Logo

Wallenstein BXT4213 - 4 Machine Components

Wallenstein BXT4213
48 pages
Print Icon
To Next Page IconTo Next Page
To Next Page IconTo Next Page
To Previous Page IconTo Previous Page
To Previous Page IconTo Previous Page
Loading...
18
BXT Series
4. Machine Components
01309
1
18
19
20
21
22
24
23
25
2
3
4
5 6
7
8
9
10
11
12
13
14
15
16
17
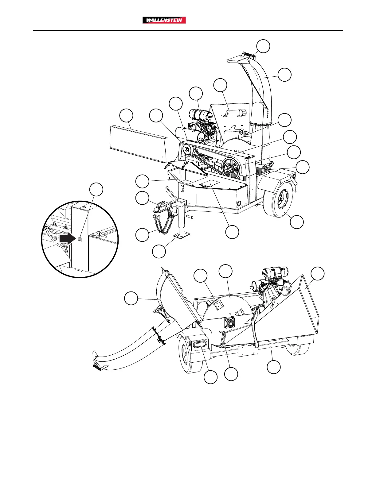
Fig. 4 – BXT Chipper Main Components
1. Jack Stand—BXT4213, BXT4224
Swivel Jack Stand—BXT6224, BXT6238
2. Safety Chains
3. Hitch Coupler
4. Storage Compartment
5. Belt Guard
6. Centrifugal Clutch
7. Upper Belt Guard
8. Engine
9. Operator Manual Tube
10. Deflector Hood
11. Discharge Chute
12. Feed Hopper Transport Latch
13. Double V-belt
14. Rotor Sheave
15. Twig Breaker
16. 4.80-8 LRB SportTrail 4on4" Tires
17. Fuel Tank
18. Hour Meter
19. Upper Rotor Housing
20. Rotor Blades
21. Rotor
22. Feed Hopper
23. Full Flex Axle
24. Ledger Blade
25. Stop, Tail, Turn Lights

Related product manuals