EasyManua.ls Logo

Wanner Engineering Hydra-Cell H-25 - Page 4

Wanner Engineering Hydra-Cell H-25
26 pages
Print Icon
To Next Page IconTo Next Page
To Next Page IconTo Next Page
To Previous Page IconTo Previous Page
To Previous Page IconTo Previous Page
Loading...
4
G25-991-2400A
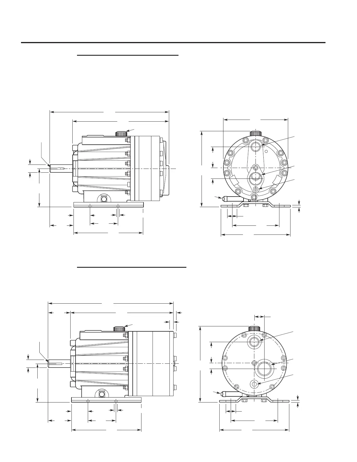
H/G-25 Dimensions
Models with Metallic Pumping Head
Models with Non-metallic Pump Head
Brass
Cast Iron
316 Stainless Steel
Nickel Alloy (Hastlloy CW12MW)
Kynar
®
Polypropylene
17.01
(432)
13.8
(350)
3.09
(78.5)
10.34
(263)
1.62
(41.1)
1.5
(38.1)
7.5
(190.5)
10.0
(254)
0.25
(6.4)
Slot Width
0.42
(10.7)
Slot Width
4.5
(114)
2.25
(57.2)
3.43
(87.1)
10.0
(254)
5.63
(143)
Ø1.125
(28.58)
9.44
(240)
Oil
Drain
Outlet
H-25: 1" NPT
G-25: 1" BSPT
Inlet
H-25: 1 1/2" NPT
G-25: 1 1/2" BSPT
3/8" - 18 NPT
(Drain Port)
Oil Fill Cap
0.25
(6.4)
Keyway
2.00
(50.8)
x
W0203A
3.2
(81.3)
17.4
(444)
14.2
(362)
0.50
(12.7)
0.50
(12.7)
3.1
(78.7)
11.0
(279)
0.8
(20.3)
1.5
(38.1)
7.5
(190.5)
10.0
(254)
0.25
(6.4)
Slot Width
0.42
(10.7)
Slot Width
4.5
(114)
2.25
(57.2)
3.4
(86.4)
10.0
(254)
5.63
(143)
Ø1.125
(28.58)
1.4
(35.6)
Oil
Drain
3/8" - 18 NPT
(Drain Port)
Oil Fill Cap
0.25
(6.4)
Keyway
Outlet
H-25: 1" NPT
G-25: 1" BSPT
Inlet
H-25: 1 1/2" NPT
G-25: 1 1/2" BSPT
W0204A

Related product manuals