EasyManua.ls Logo

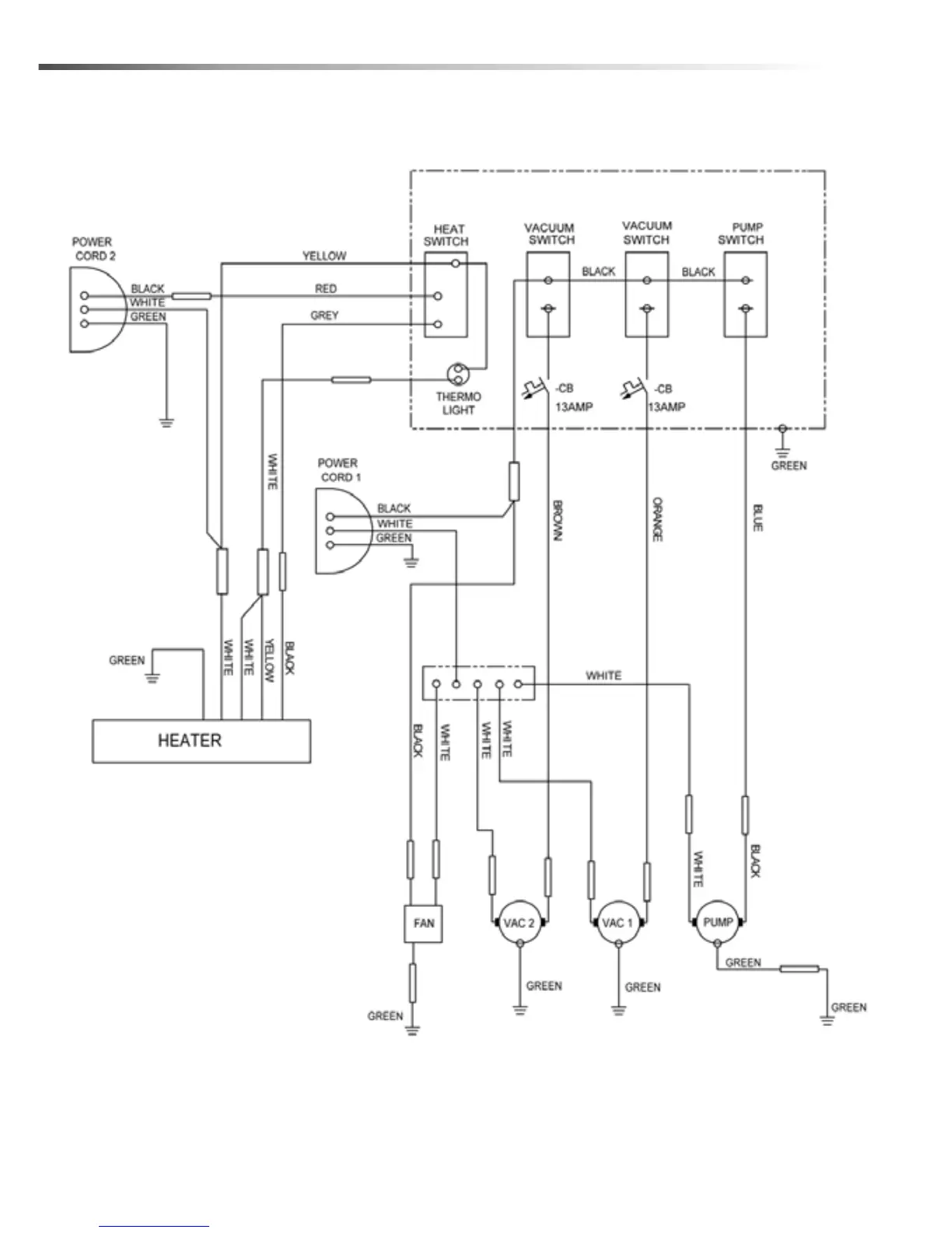
WARRIOR 150 - Wiring Diagram with Heater

WARRIOR 150
56 pages
Print Icon
To Next Page IconTo Next Page
To Next Page IconTo Next Page
To Previous Page IconTo Previous Page
To Previous Page IconTo Previous Page
Loading...
45
Wiring with Heat