EasyManua.ls Logo

WARRIOR 150 - Page 48

WARRIOR 150
56 pages
Print Icon
To Next Page IconTo Next Page
To Next Page IconTo Next Page
To Previous Page IconTo Previous Page
To Previous Page IconTo Previous Page
Loading...
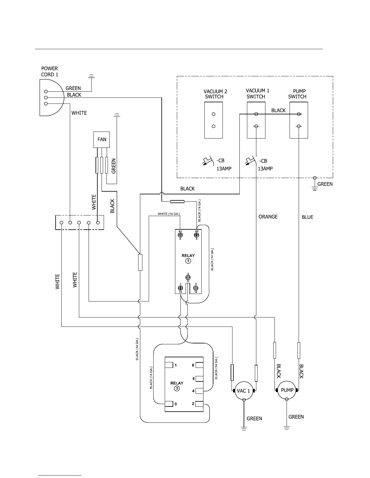
W15 2-3 STAGE VAC W/ OPTIONAL CIRCUIT INDICATOR WIRING PAGE 1