EasyManua.ls Logo

WARRIOR 150 - Page 50

WARRIOR 150
56 pages
Print Icon
To Next Page IconTo Next Page
To Next Page IconTo Next Page
To Previous Page IconTo Previous Page
To Previous Page IconTo Previous Page
Loading...
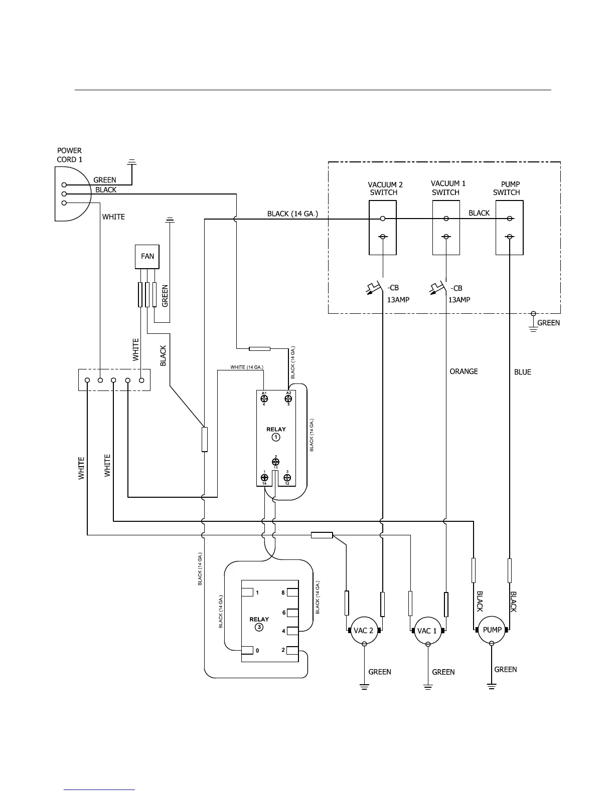
W15 HEATER MATE W/ OPTIONAL CIRCUIT INDICATOR WIRING PAGE 1