EasyManua.ls Logo

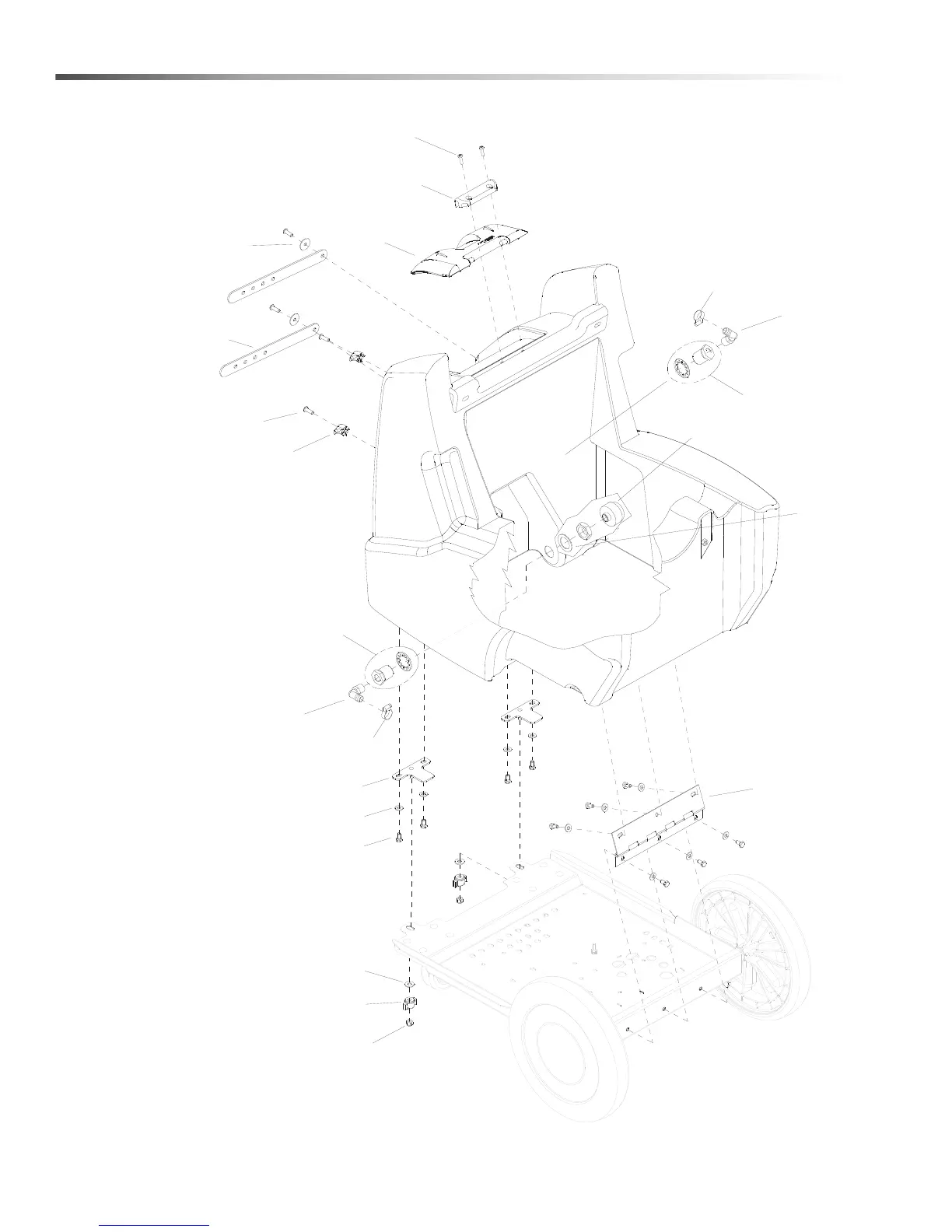
WARRIOR 200 - Solution Tank Components

WARRIOR 200
45 pages
Print Icon
To Next Page IconTo Next Page
To Next Page IconTo Next Page
To Previous Page IconTo Previous Page
To Previous Page IconTo Previous Page
Loading...
39
Solution
1
2
3
4
5
6
7
8
9
11
12
13
14
15
16
17
18
19
10
20
1
2
4