EasyManua.ls Logo

WARRIOR 6000S - Wiring Diagram

WARRIOR 6000S
26 pages
Print Icon
To Next Page IconTo Next Page
To Next Page IconTo Next Page
To Previous Page IconTo Previous Page
To Previous Page IconTo Previous Page
Loading...
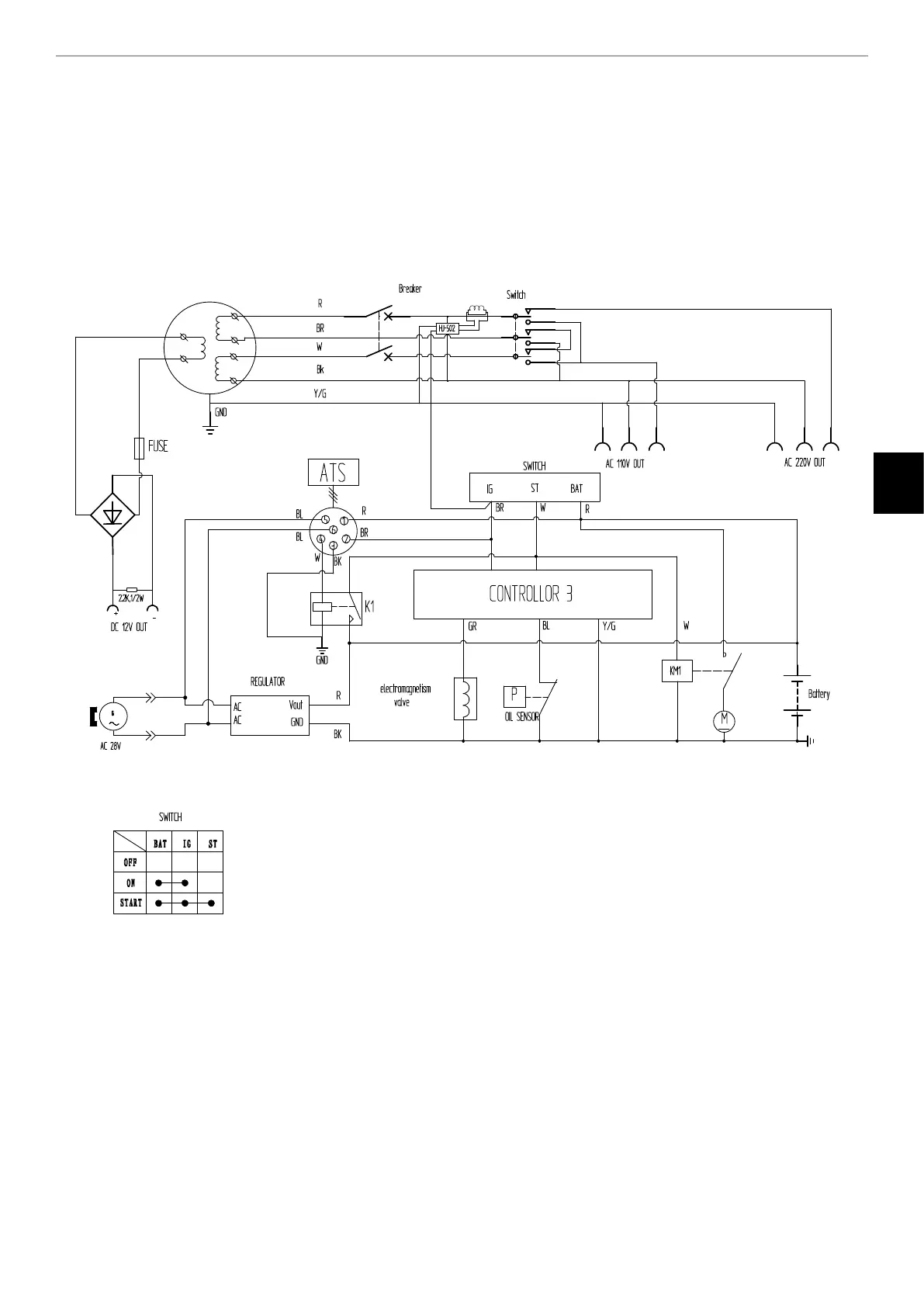
WIRING DIAGRAM
WPE DIESEL GENERATORS
WIRING DIAGRAM
21
EN