EasyManua.ls Logo

WARRIOR DIG1500 - Page 23

WARRIOR DIG1500
24 pages
Print Icon
To Next Page IconTo Next Page
To Next Page IconTo Next Page
To Previous Page IconTo Previous Page
To Previous Page IconTo Previous Page
Loading...
M
B
U
9
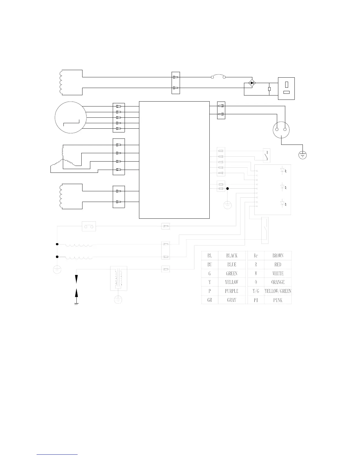
WIRING DIAGRAM
1200i, 1500i, 1800i
DC winding
BU BU
BU BU
DC PROTECTOR
R
R R
O O
BL W
PI BL
BU BU
Stepping motor
BL BL
Main
BL BL
BL R
BL BL
R
R
BL
AC SOCKET
R
DC SOCKET
Y/G
Winding
Control
winding
R R
BL BL
W BL
W BL
Oil sensor
Invert cell
BL
O
BL
BL
R
BL
BR
GR
BU
Y/G
O
W
BU
P
Economic
switch
PILOT
OVERLOAD
LOW OIL
Engine
switch
Ignition winding
W
Spring winding
BL
Spark
plug
R
High
pressure
Wrap

Related product manuals