EasyManua.ls Logo

Washtech GM - Wiring Diagram

Washtech GM
12 pages
Print Icon
To Next Page IconTo Next Page
To Next Page IconTo Next Page
To Previous Page IconTo Previous Page
To Previous Page IconTo Previous Page
Loading...
10 GM - Operator Manual 141218
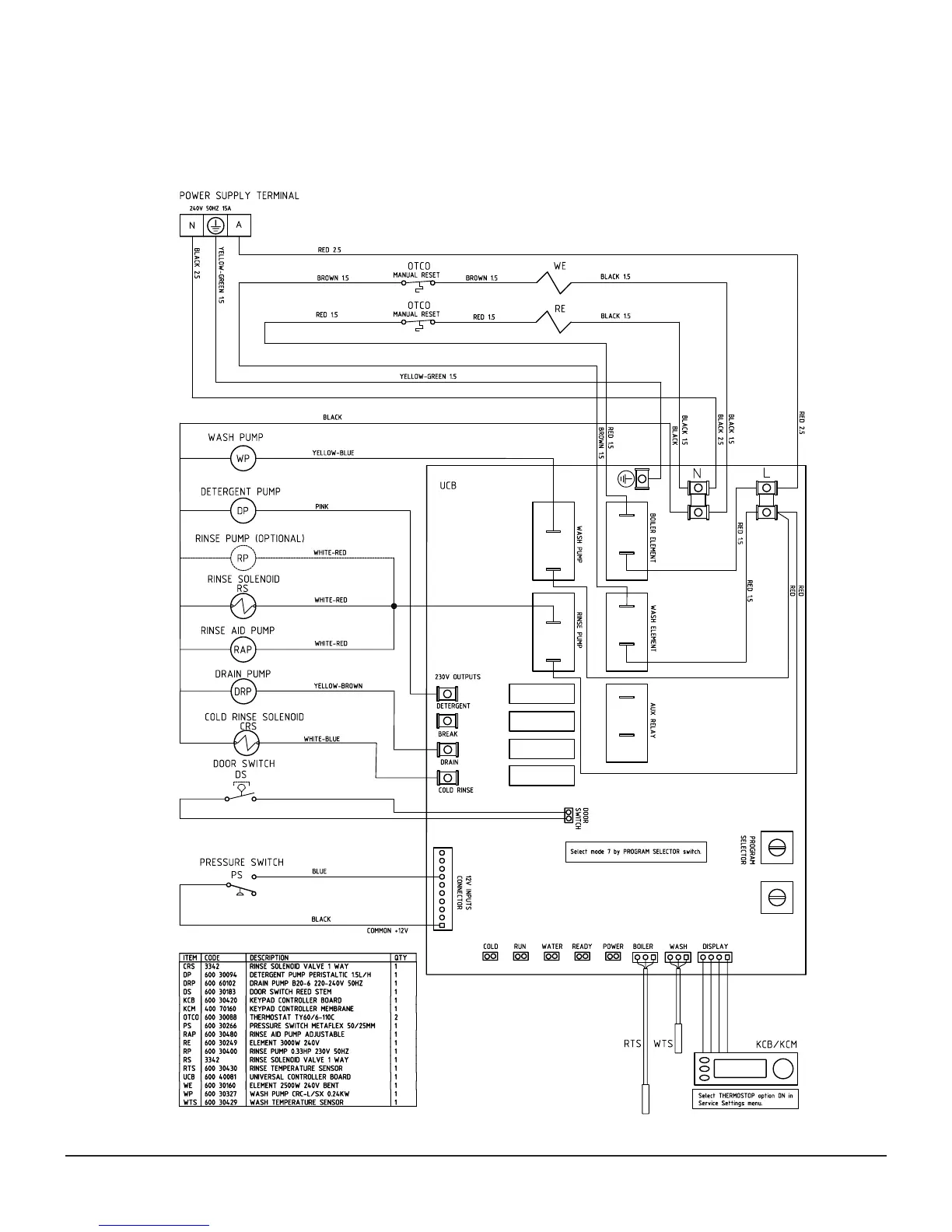
GM7 Wiring Diagram
060247 19/12/14 3D
GM7(W) WIRING DIAGRAM

Related product manuals