EasyManua.ls Logo

Watts R4X40 - Page 9

Watts R4X40
18 pages
Print Icon
To Next Page IconTo Next Page
To Next Page IconTo Next Page
To Previous Page IconTo Previous Page
To Previous Page IconTo Previous Page
Loading...
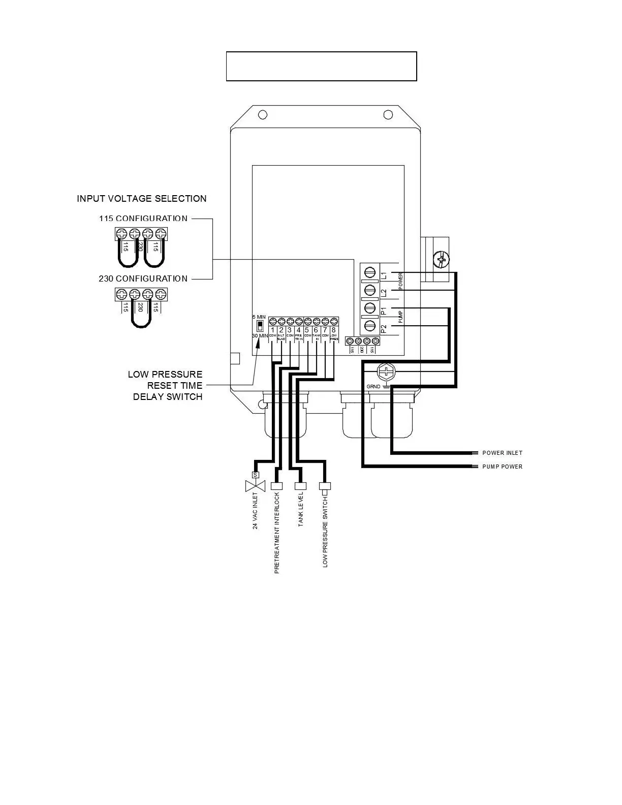
Controller Connections

Related product manuals