EasyManua.ls Logo

Wavetek 143 - Page 21

Wavetek 143
62 pages
Print Icon
To Next Page IconTo Next Page
To Next Page IconTo Next Page
To Previous Page IconTo Previous Page
To Previous Page IconTo Previous Page
Loading...
HYSTERESIS
SWITCH
TRIGGER
TRIGGER
CONTROL
SQUARING
LOGIC
CIRCUIT
m
TRIGGER/PULSE
BOARD
ài
TRIGGER
COMPEN-
SATION
TRIGGER
LEVEL
TRIGGER
3535
!
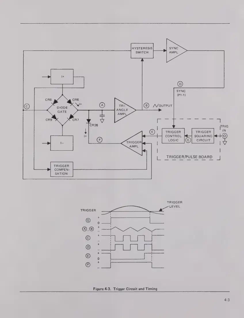
Figure
4-3.
Trigger
Circuit
and
Timing
4-3

Related product manuals