EasyManua.ls Logo

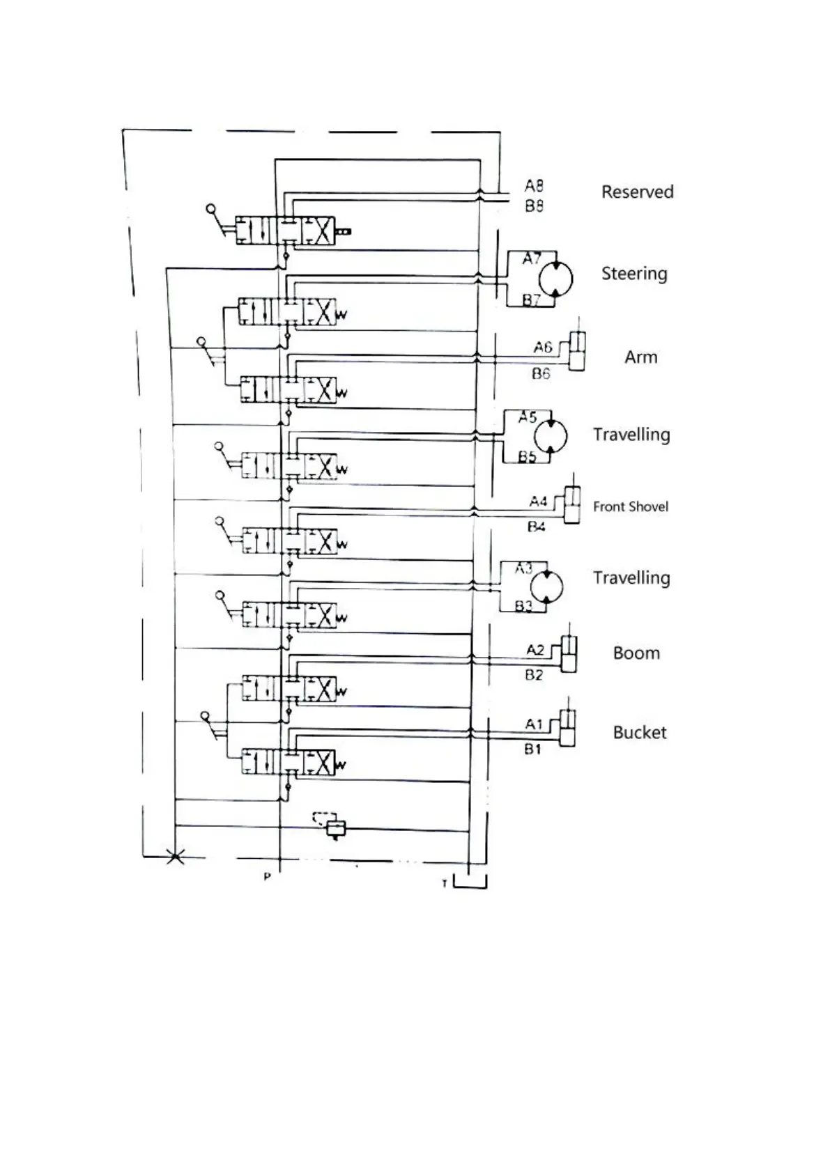
WCM CTX8010C - Section IV Schematics of main valve

Default Icon
69 pages
Print Icon
To Next Page IconTo Next Page
To Next Page IconTo Next Page
To Previous Page IconTo Previous Page
To Previous Page IconTo Previous Page
Loading...
14
Section IV Schematics of main valve

Related product manuals