EasyManua.ls Logo

Webb WEER40 - Page 22

Webb WEER40
36 pages
Print Icon
To Next Page IconTo Next Page
To Next Page IconTo Next Page
To Previous Page IconTo Previous Page
To Previous Page IconTo Previous Page
Loading...
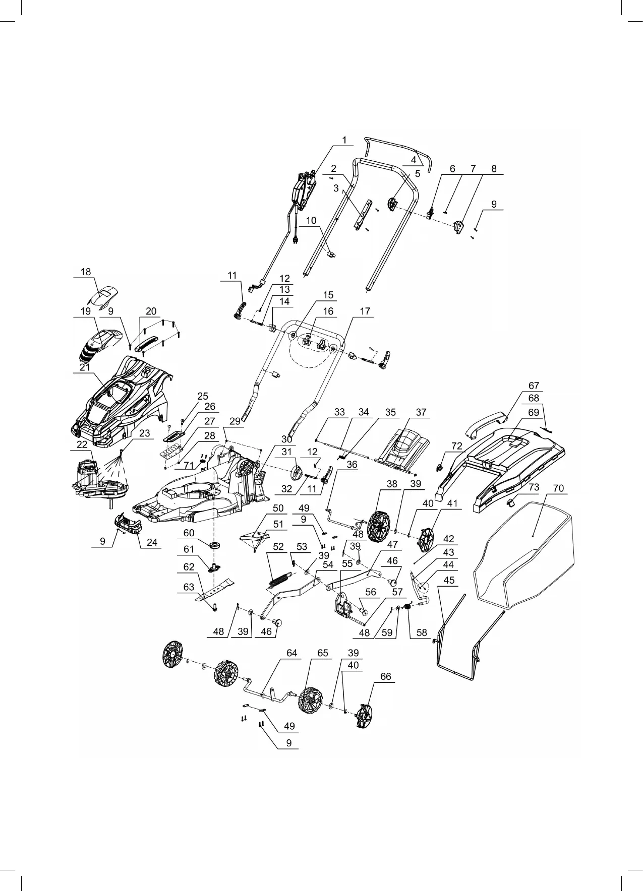
PARTS LIST WEER40 (1938124001)
Item
No.
Part No.
Description
Qty
Item
No.
Part No.
Description
Qty
1
WE126-4080061
Switch Box Assembly
1
37
WE126-301070903
Grass Flap
1
2
WE125-103080036
Upper Handle
1
38
WE126-301062836
Rear Wheel
2
3
WE125-301062831
Switch Box Small Cover
1
39
WE125-104010258
Washer
7
4
WE125-103990876
Operator Handle
1
40
WE125-104050024
Split Washer
4
5
WE125-301070717
Left Permanent Seat
1
41
WE126-301062835
Rear Wheel Trim
2
6
WE125-301062827
Left Clamp
1
42
WE125-301062852
Height Adjuster
1
7
WE125-104040082
M4*8 Bolt
3
43
WE126-103990877
Height Adjuster Lever
1
8
WE125-301070716
Left Fixed Cover
1
44
WE125-104030203
M4*8 Bolt
2
9
WE125-104030136
ST4.2X15BT Screw
21
45
WE126-103020148
Collection Bag Frame
1
10
WE125-301070806
Cable Clip
2
46
WE125-301062851
Pin Shaft
2
11
WE125-301070899
Quick Release Handle
4
47
WE125-103990799
Rear Connecting Rod
1
12
WE125-103990795
Spring Pin
4
48
WE125-103990811
Split Pin
3
13
WE125-104040202
M8×73 Bolt
2
49
WE124-103990797
Axle Clamp
6
14
WE125-301070779
Quick Release Support
2
50
WE126-301070797
Housing Insert
1
15
WE125-301070780
Washer
2
51
WE125-104030135
ST4.2*12BT Screw
4
16
WE125-301070781
Handle Knob wirh M8 Nut
2
52
WE125-103060289-1
Tension Spring
1
M8 Nut
2
53
WE125-103990750
Pin
1
17
WE126-103020127
Lower Handle
1
54
WE125-103990798
Front Connecting Rod
1
18
WE124-301070910
Motor Cover
1
55
WE126-301070796
Adjusting Aracket
1
19
WE124-301070911
Air Window Cover
1
56
WE125-301062853
Long Pin Shaft
1
20
WE124-301070396f
Motor Cover Carry Handle
1
57
WE126-103050254
Adjusting Bracket Shaft
1
21
WE126-301070900
Upper Deck
1
58
WE125-103060285
Height Adjuster Spring
1
22
WE126-4070214
Motor Assembly
1
59
WE125-104010257
Washer
7
23
WE125-104030423
ST4.2x18 BT Screw
7
60
WE124-103050242
Bearing
1
24
WE126-301070901
Front Bumper
1
61
WE125-301070794
Blade Support Plate
1
25
WE125-104030300
M5×12 Screw
2
62
WE126-103030128
Blade
1
26
WE126-103990796
Height Adjuster Back Plate
1
63
WE124-104040205
M8*20 Blade Bolt
1
27
WE126-105020065
Height Adjuster Frame
1
64
WE126-103050273
Front Axle
1
28
WE125-104020017
M5 Lock Nut
2
65
WE125-301062850
Front Wheel
2
29
WE125-104020077
M8x8 Nut
2
66
WE125-301062849
Front Wheel Trim
2
30
WE126-301070789
Lower Deck
1
67
WE124-301070580P
Collector Carry Handle
1
31
WE125-301070902
Lower Handle Adjuster
2
68
WE124-301062859
Flip
1
32
WE125-104040215
M8×63 Bolt
2
69
WE126-301070904
Collector Top
1
33
WE126-104050022
Split Washer
2
70
WE126-105011065
Collection Bag
1
34
WE126-103050256
Grass Flap Axle
1
71
WE125-301990135
Pressing Line Plate
1
35
WE126-103060290
Grass Flap Spring
1
72
WE126-301070905
Collection Bag Plug (L)
1
36
WE126-10305272
Rear Axle
1
73
WE126-301070906
Collection Bag Plug (R)
1
PARTS DIAGRAMWEER40 (1938124001)

Other manuals for Webb WEER40

Related product manuals