EasyManua.ls Logo

Webb WER18HW4 - Parts Information; WER18 HP4 Parts Diagram and List

Webb WER18HW4
42 pages
Print Icon
To Next Page IconTo Next Page
To Next Page IconTo Next Page
To Previous Page IconTo Previous Page
To Previous Page IconTo Previous Page
Loading...
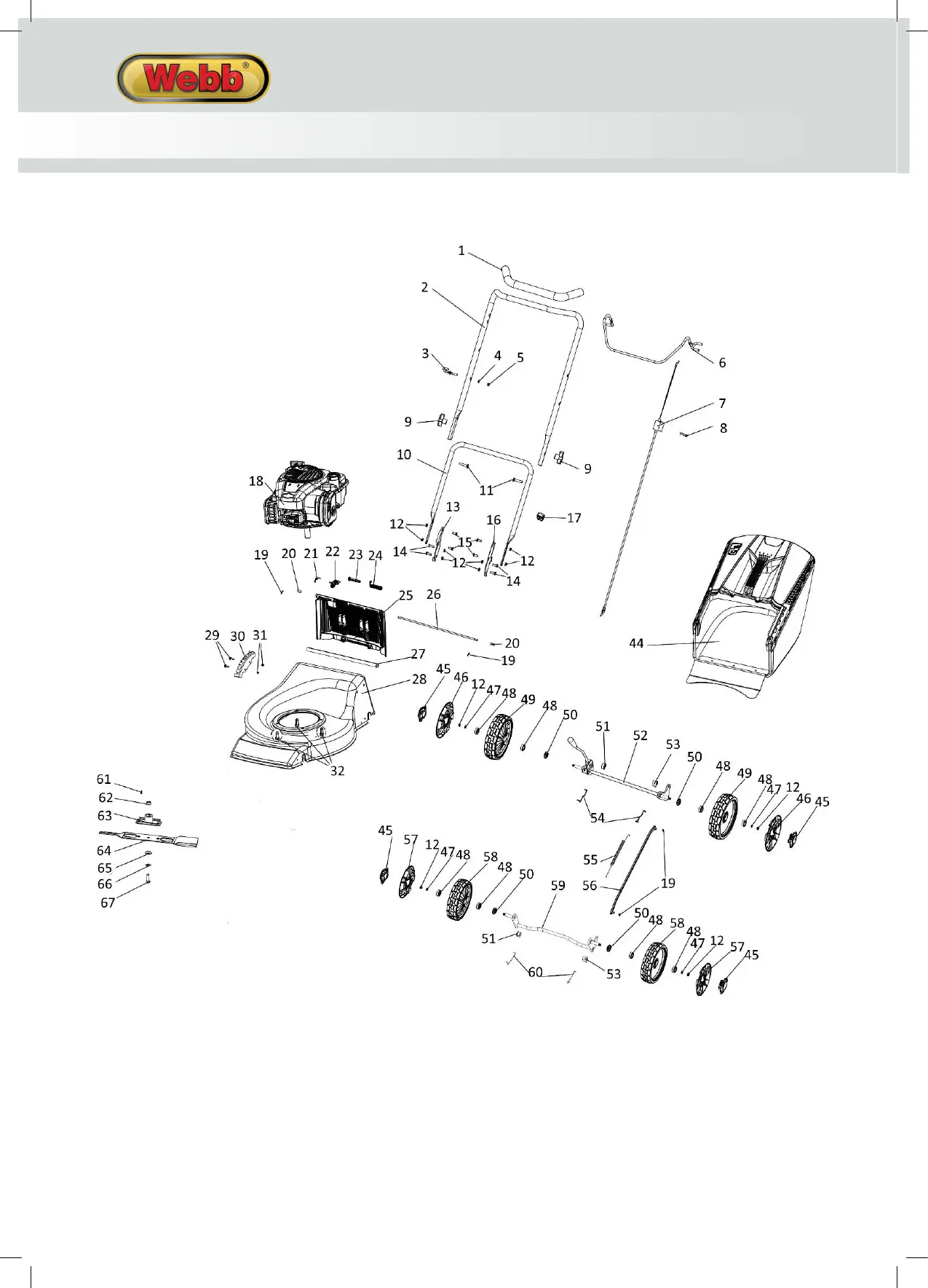
PARTS DIAGRAM - WER18HP4 (1938323001)
INSTRUCTION MANUAL

Related product manuals