EasyManua.ls Logo

Webb WER21HW4 - Page 26

Webb WER21HW4
36 pages
Print Icon
To Next Page IconTo Next Page
To Next Page IconTo Next Page
To Previous Page IconTo Previous Page
To Previous Page IconTo Previous Page
Loading...
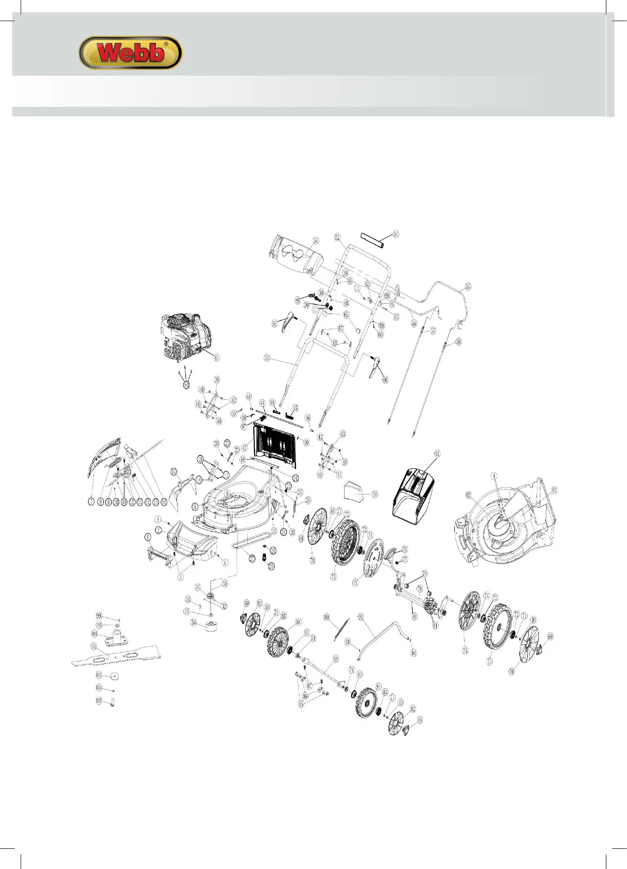
PARTS DIAGRAM - WER21HW4 (1938325001)
INSTRUCTION MANUAL

Related product manuals