EasyManua.ls Logo

Weed Eater 177019 - Schematic

Weed Eater 177019
48 pages
Print Icon
To Next Page IconTo Next Page
To Next Page IconTo Next Page
To Previous Page IconTo Previous Page
To Previous Page IconTo Previous Page
Loading...
27
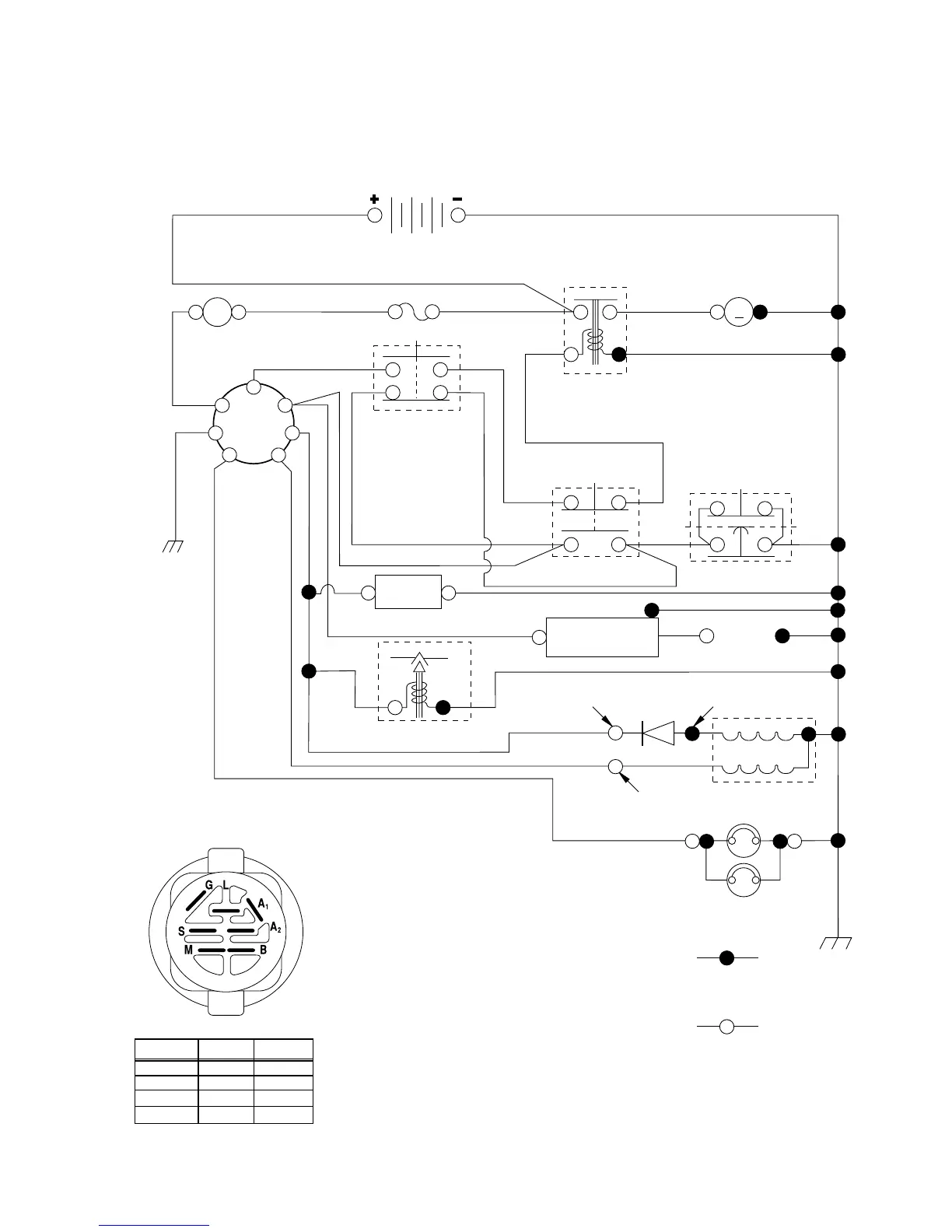
TRACTOR - - MODEL NUMBER S165H42A
SCHEMATIC
BATTERY
FUSE
IGNITION
SWITCH
RED
RED
RED
BLACK
IGNITION
UNIT
HEADLIGHTS
REMOVABLE
CONNECTIONS
BLACK
BLACK
BLACK
WHITE
WHITE
WHITE
RED
BLACK
ORANGE
BLACK
BROWN
BLACK
BLACK
BLACK
STARTER
M
SEAT SWITCH
(NOT OCCUPIED)
GROUNDING
CONNECTOR
ATT'MENT CLUTCH
(CLUTCH OFF)
CLUTCH / BRAKE
(PEDAL UP)
SOLENOID
BLACK
LIGHTING SYSTEM OUTPUT
5 AMP AC @ 3600 RPM
ALTERNATOR
14 VOLTS AC MIN. @ 3600 RPM (LIGHTS OFF)
DIODE
28 VOLTS AC MIN. @ 3600 RPM
(CHARGING SYSTEM DISCONNECTED)
CHARGING SYSTEM OUTPUT
3 AMP DC @ 3600 RPM
NOTE
YOUR TRACTOR IS
EQUIPPED WITH A SPECIAL
ALTERNATOR SYSTEM.
THE LIGHTS ARE NOT
CONNECTED TO THE
BATTERY, BUT HAVE THEIR
OWN ELECTRICAL SOURCE.
BECAUSE OF THIS, THE
BRIGHTNESS OF THE LIGHTS
WILL CHANGE WITH ENGINE
SPEED. AT IDLE THE LIGHTS
WILL DIM. AS THE ENGINE IS
SPEEDED UP, THE LIGHTS
WILL BECOME THEIR BRIGHTEST.
WIRING INSULATED CLIPS
NOTE: IF WIRING INSULATED CLIPS WERE REMOVED FOR
SERVICING OF UNIT, THEY SHOULD BE REPLACED TO
PROPERLY SECURE YOUR WIRING.
A
AMMETER
RED
G
B
S
M
A1
A2
L
HOUR
METER
(OPTIONAL)
(OPTIONAL)
SPARK
PLUG
GAP
(2 PLUGS ON
TWIN CYL. ENGINES)
IGNITION SWITCH
CIRCUITPOSITION
OFF
B+A1RUN/LIGHT
B + S + A1START
M+G+A1
B+A1RUN
“MAKE”
A2+L
NONE
NONE
NONE
(IF SO EQUIPPED)
NON-REMOVABLE
CONNECTIONS
BLUE
FUEL SHUT-OFF SOLENOID
FUEL
LINE

Related product manuals