EasyManua.ls Logo

Weed Eater HD12538J - Mower Diagram; Repair Parts Tractor

Weed Eater HD12538J
48 pages
Print Icon
To Next Page IconTo Next Page
To Next Page IconTo Next Page
To Previous Page IconTo Previous Page
To Previous Page IconTo Previous Page
Loading...
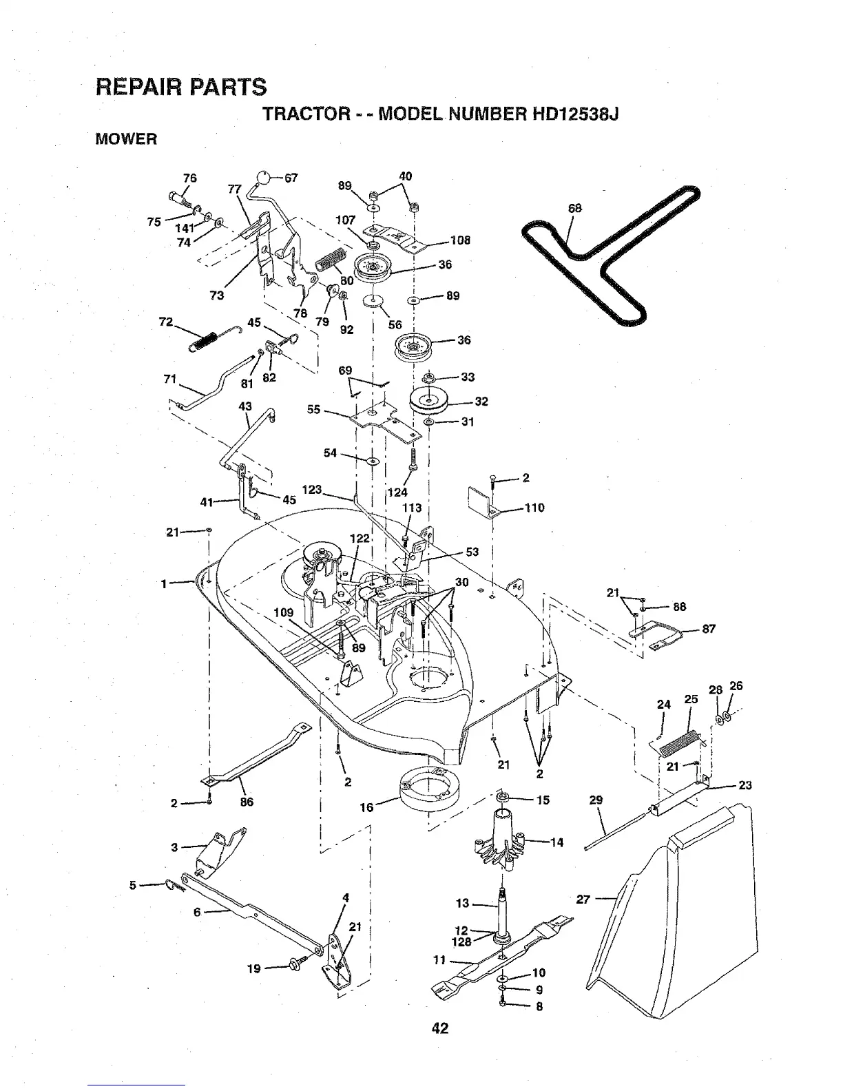
.REPAIR PARTS
TRACTOR
MOWER
. 107
. . MODELNUMBER HD12538J
4O
;O8
68
i, 2, t
113 i
21 2
24
29
42

Table of Contents

Related product manuals