EasyManua.ls Logo

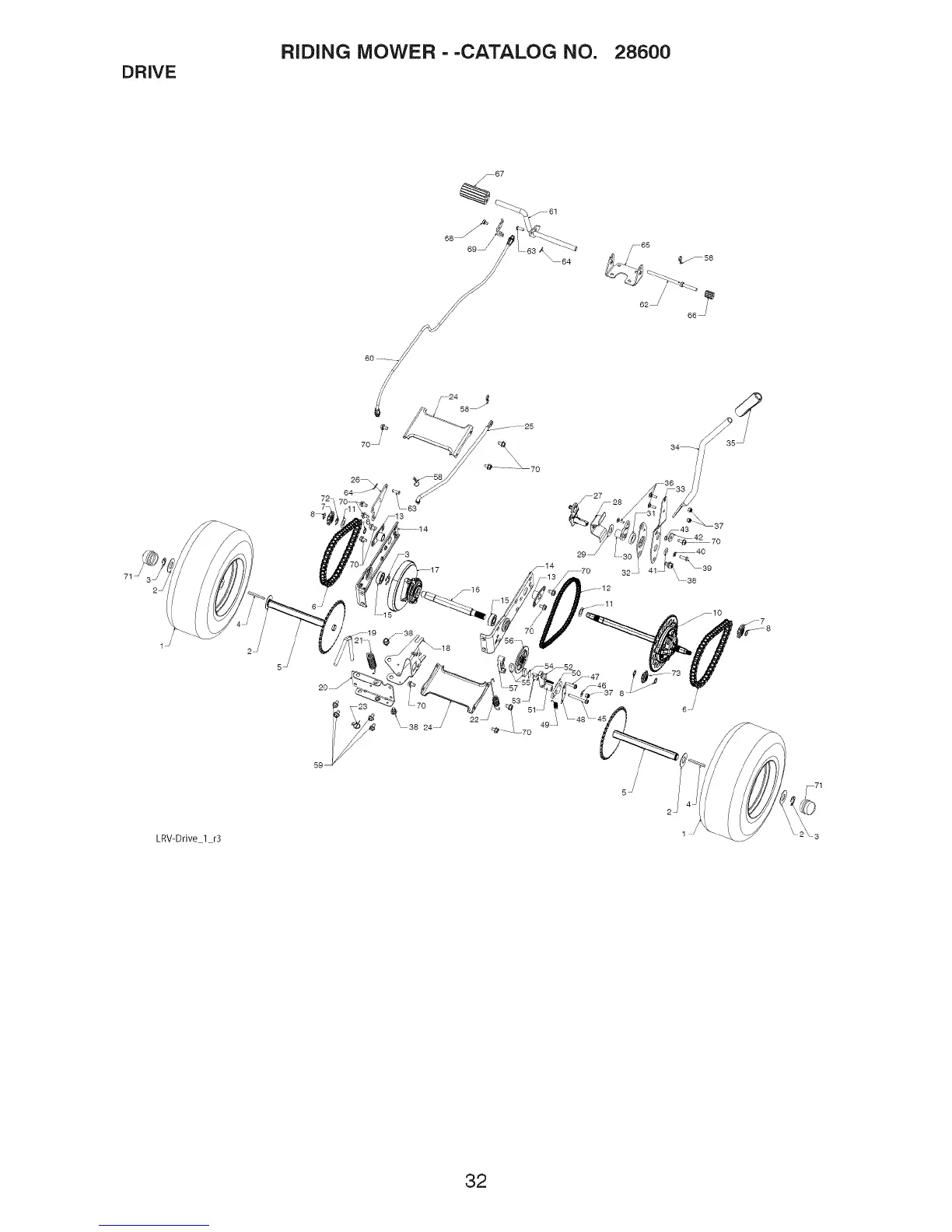
Weed Eater One 28600 - Drive System Diagrams; Drive System Component Diagram

Weed Eater One 28600
80 pages
Print Icon
To Next Page IconTo Next Page
To Next Page IconTo Next Page
To Previous Page IconTo Previous Page
To Previous Page IconTo Previous Page
Loading...
DRIVE
RIDING MOWER--CATALOG NO. 28600
/70
\38
LRV-Drive 1 r3
32

Related product manuals