EasyManua.ls Logo

Weed Eater WET6500A - Page 24

Weed Eater WET6500A
28 pages
Print Icon
To Next Page IconTo Next Page
To Next Page IconTo Next Page
To Previous Page IconTo Previous Page
To Previous Page IconTo Previous Page
Loading...
24
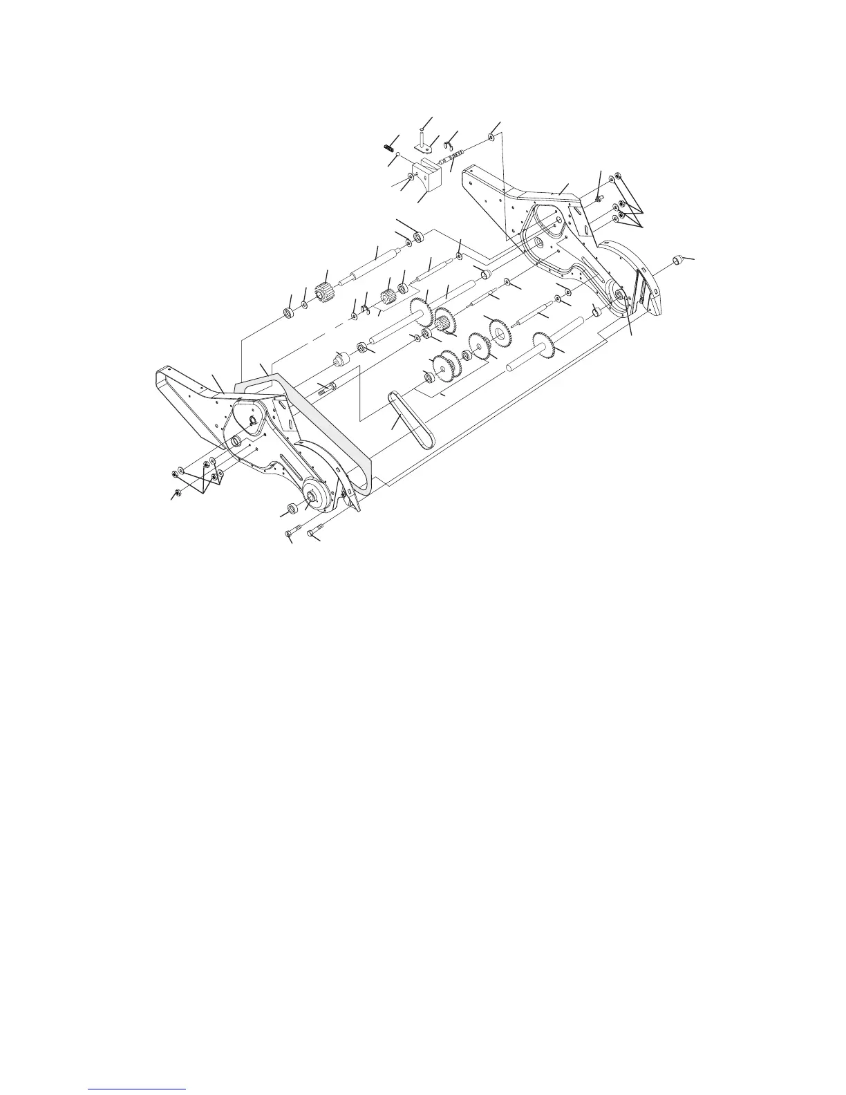
29 102134X Chain #35-50 Pitch
30 150737 Ground Shaft Assembly
31 143008 Bearing, Shaft, Ground Drive
32 106388X Spacer 0.70 x 1.00 x 1.150
33 102121X Sprocket and Gear Assembly
34 102112X Shaft, Re duc tion (2nd)
35 102101X Screw, Whiz, Lock 5/16-18 x 3-1/2
36 154355 Sprocket Assembly w/Bearing (In-
cludes Key Nos. 37 and 38)
37 4422J Bearing, Needle
38 154356 Sprocket, Tine
39 105345X Gear, Clus ter, Red 1st & 2nd
40 105346X Gear, Re verse
41 8358J Shaft, Re duc tion (1st)
42 4220R Washer, Thrust
43 106146X Spacer 1.01 x 1.75 x 0.760
44 155236 Seal Asm, Oil
48 180631 Gearcase, R.H. w/Bearing (In-
cludes Key No. 8)
49 132688 Shaft, Tine
50 106147X Chain, Roller #50-50 Pitch
51 17720408 Screw 1/4-20 x 1/2
52 73220500 Nut, Hex 5/16-18
53 165140 Kit, Bearing, Tine Shaft
58 179520 Bolt Shoulder 1/4-20 Unc x .875
60 6855M Fitting Grease
- - 6066J Grease, Plastilube #1
1 180677 Transmission Assembly (In cludes
Key Nos. 2-53)
2 180627 Gearcase, L.H. w/Bearing (In cludes
Key No. 4)
3 161963 Gasket, Gearcase
4 5020J Bearing, Needle
5 1370H Washer, Thrust 5/8 x 1.10 x 1/32
6 137335 Pinion, Input
7 145101 Shaft, In put
8 4895H Bearing, Needle
9 154467 Washer, Seal
10 7392M Ball, Steel
11 100371K Spring, Shift, Fork
12 106160X O-Ring
13 142145 Arm,. Shift
14 8353J Fork, Shift
15 12000039 Ring, Klip
16 154466 Shaft, Shift
18 4358J Washer
19 12000040 Ring, Klip
20 102114X Gear, As sem bly, Reverse Idler (In-
cludes Key Nos. 21 and 22)
21 102115X Gear, Re verse Idler
22 6803J Bearing, Needle
23 102111X Shaft, Re verse Idler
24 10040700 Washer, Lock 7/16
25 73610700 Nut, Hex 7/16-20
27 143009 Bearing, Shaft, Ground Drive
28 106390X Spacer 0.765 x 1.125 x 1.23
KEY PART
NO. NO. DESCRIPTION
KEY PART
NO. NO. DESCRIPTION
12
13
15
16
14
9
9
8
5
18
23
22
21
19
18
3
2
29
31
7
6
5
4
11
10
30
28
18
32
33
34
18
48
60
24
44
18
42
43
41
49
40
39
37
38
37
50
36
20
25
27
35
25
24
44
51
58
53
52
53
transmission_1.95b
REPAIR PARTS
TILLER - - MODEL NUMBER WET6500A
TRANSMISSION
NOTE: All component dimensions given in U.S. inches.
1 inch = 25.4 mm

Related product manuals