EasyManua.ls Logo

Wellpro WP8024ADAM - Communication Instructions; Default Communication Parameters; Digital Input Collection Commands; Digital Output Control Commands

Wellpro WP8024ADAM
6 pages
Print Icon
To Next Page IconTo Next Page
To Next Page IconTo Next Page
To Previous Page IconTo Previous Page
To Previous Page IconTo Previous Page
Loading...
WP8024ADAM Users Manual V1.42
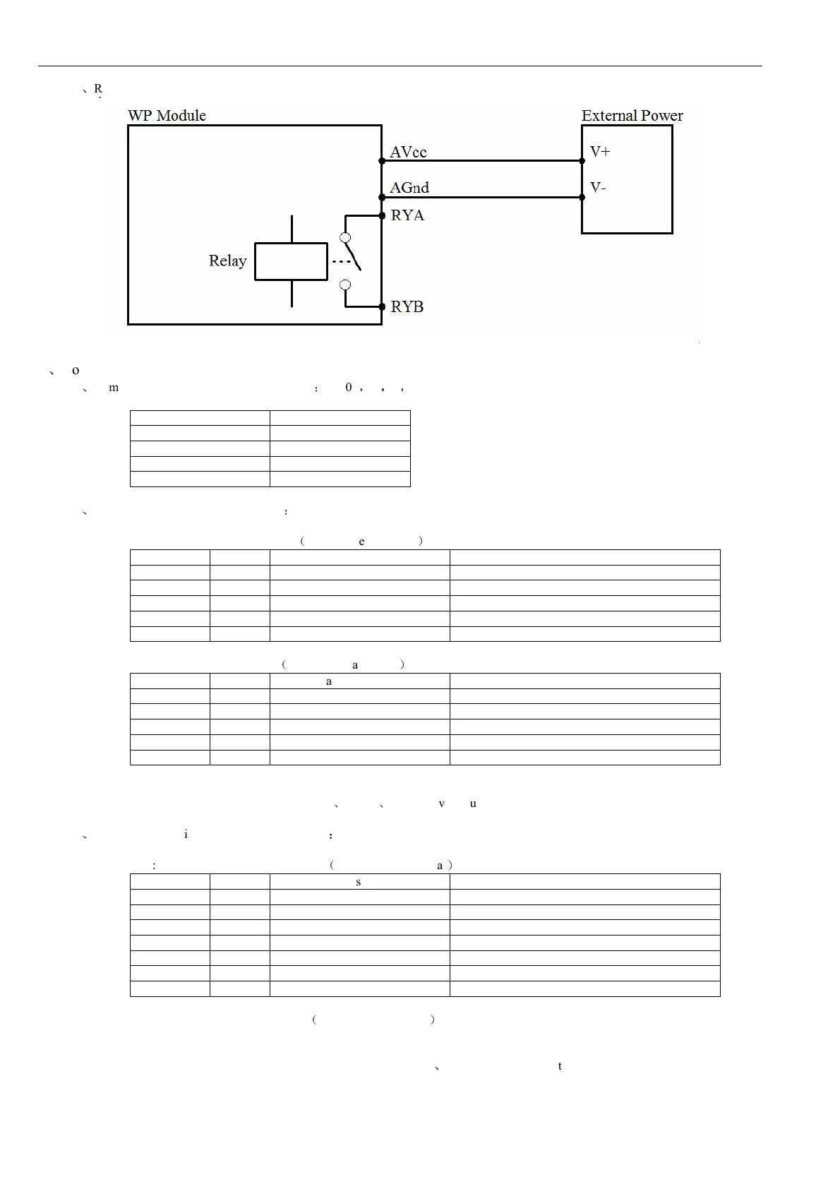
4.2
Relay output
5
Communication Instruction
5.1
Communication parameter (default setting)
9600
N
8
1
Parameter Description
9600 baud rate
N(no check) check bit
8 data bit
1 stop bit
5.2
Command for digital input collection
Send: 01 02 00 00 00 08 79 CC
example/hexadecimal
data byte data description remark
01 1 module address Address range 01-FE
02 1 function code 02-read input bit
0000 2 input address(1x mode) 0000-initial address of input bit
0008 2 read length of input bit 0008-read 8 input bits
79CC 2 CRC check code CRC check code for all data
Receive: 01 02 01 C2 20 19
example/hexadecimal
data byte data description remark
01 1 module address Address range 01-FE
02 1 function code 02-read input bit
01 1 byte numbers 01-read one byte length
C2 1 read data C2-read input bit status
2019 2 CRC check code CRC check code for all data
Converting reading data “C2” to 2 hexadecimal results “11000010”. From left to right, it represents the 8 digital input channel
status DI_08 ~ DI_01. Here it means DI_08
DI_07
DI_02 have input but others no.
5.3
Command for digital output (several controls)
Send: 01 0F 00 00 00 04 01 03 7E 97
example/hexadecimal
data
byte
data description
remark
01
1
module address
address range:01-FE
0F
1
function code
0F-write multiple coil
0000
2
coil address(0x mode)
0000-initial address of coil
0004
2
write coil length
0004-write 4 coils
01
1
write data byte
01-write one byte data
03
1
write data
03-write 4 coil’s output status
7E97
2
CRC check code
CRC check code for all data
Receive: 01 0F 00 00 00 04 54 08
example/hexadecimal
Converting reading data “03” to 2 hexadecimal results “00000011”,last 4 numbers are active. From left to right, it represents
the 4 relay output channel status RY4-RY1. Here it means RY2
RY1 have output but others no. When module receives correct
command, it will make corresponding actions and send response back to the master. This is successful communication.