EasyManua.ls Logo

Wellpro WP9038ADAM - Digital Output Diagram; Analog Input Diagrams; Communication Instructions; Default Communication Parameters

Wellpro WP9038ADAM
7 pages
Print Icon
To Next Page IconTo Next Page
To Next Page IconTo Next Page
To Previous Page IconTo Previous Page
To Previous Page IconTo Previous Page
Loading...
WP9038ADAM Users Manual V1.42
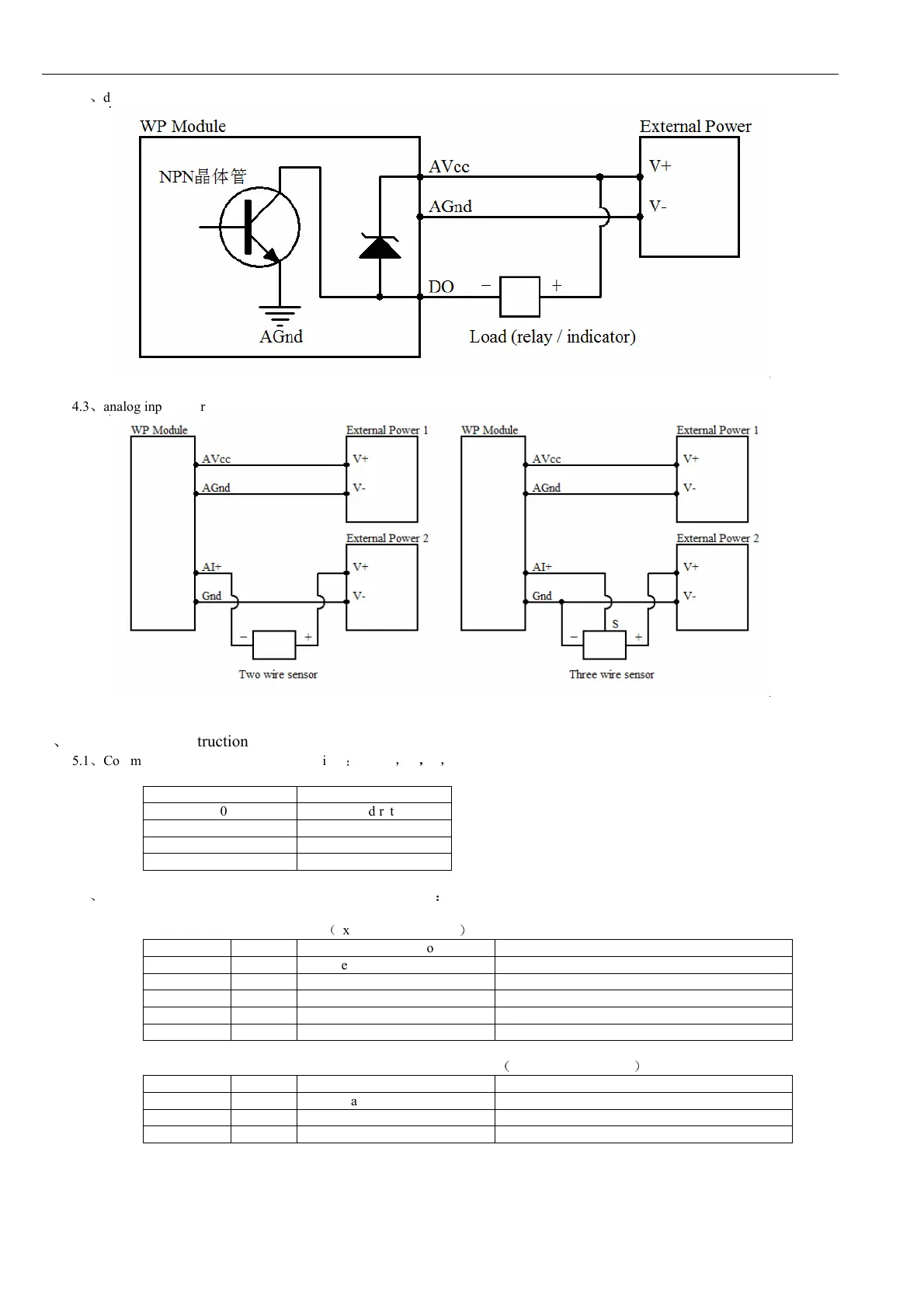
4.2
digital output diagram
4.3
analog input diagram
5
Communication Instruction
5.1
Communication parameter (default setting)
9600
N
8
1
Parameter Description
9600 baud rate
N(no check) check bit
8 data bit
1 stop bit
5.2
Command for collecting the input signal of analog quantity
Send: 01 03 00 00 00 06 C5 C8
example/hexadecimal
data byte data description remark
01 1 module address address range:01-FE
03 1 function code 03-read register
0000 2 register address (4x mode) 0000-analog input address of first register
0006 2 reading length 0006-read 6 registers
C5C8 2 CRC check code CRC check code for all data
Receive: 01 03 0C 07 69 00 00 00 00 00 00 00 00 00 00 B6 26
example/hexadecimal
data byte data description remark
01 1 module address address range:01-FE
03 1 function code 03-read register
0C 1 byte numbers 0C-read 12 bytes