EasyManua.ls Logo

Wells G13 - Page 10

Wells G13
36 pages
Print Icon
To Next Page IconTo Next Page
To Next Page IconTo Next Page
To Previous Page IconTo Previous Page
To Previous Page IconTo Previous Page
Loading...
6
1
4
1111
5
2
1010
99
6
3
1
5
2
6
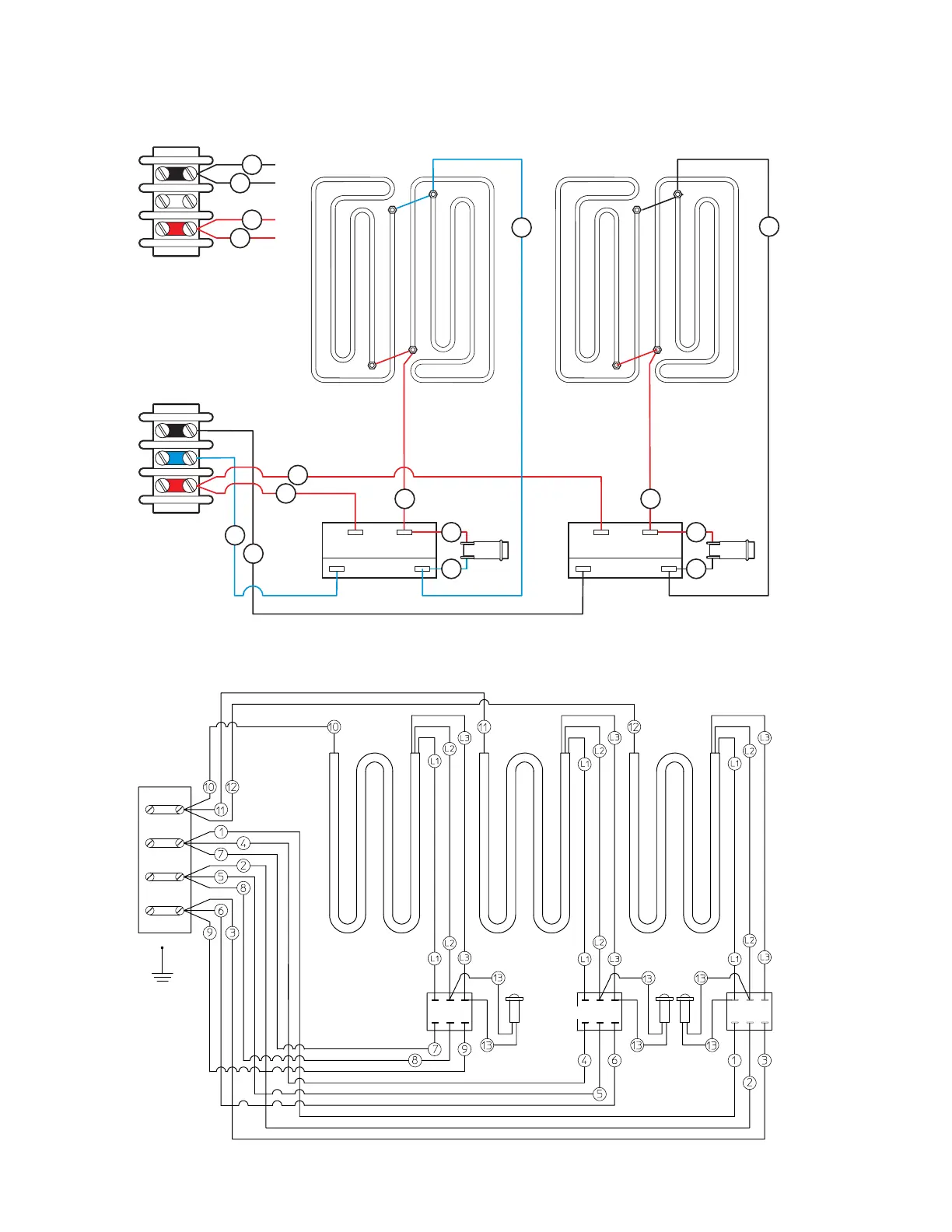
WIRING DIAGRAMS
G19
208 V, 240 V, 480 V
G19
380 V–415 V
single phase
L1
L1
L1
N
L2
L3
L3
L2
L2
three phase
[delta]
three phase
[wye]
thermostat
thermostat thermostatthermostat
thermostat

Other manuals for Wells G13

Related product manuals