EasyManua.ls Logo

WEN POWER 56173 - Page 20

Default Icon
28 pages
Print Icon
To Next Page IconTo Next Page
To Next Page IconTo Next Page
To Previous Page IconTo Previous Page
To Previous Page IconTo Previous Page
Loading...
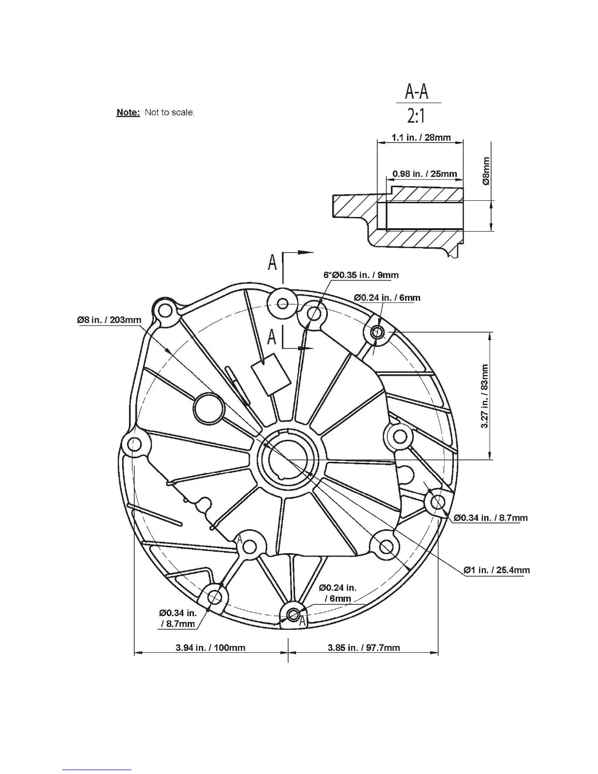
MOUNTING HOLE DIAGRAM
17

Related product manuals