EasyManua.ls Logo

Wen 33606 - Exploded View and Parts List

Wen 33606
18 pages
Print Icon
To Next Page IconTo Next Page
To Next Page IconTo Next Page
To Previous Page IconTo Previous Page
To Previous Page IconTo Previous Page
Loading...
16
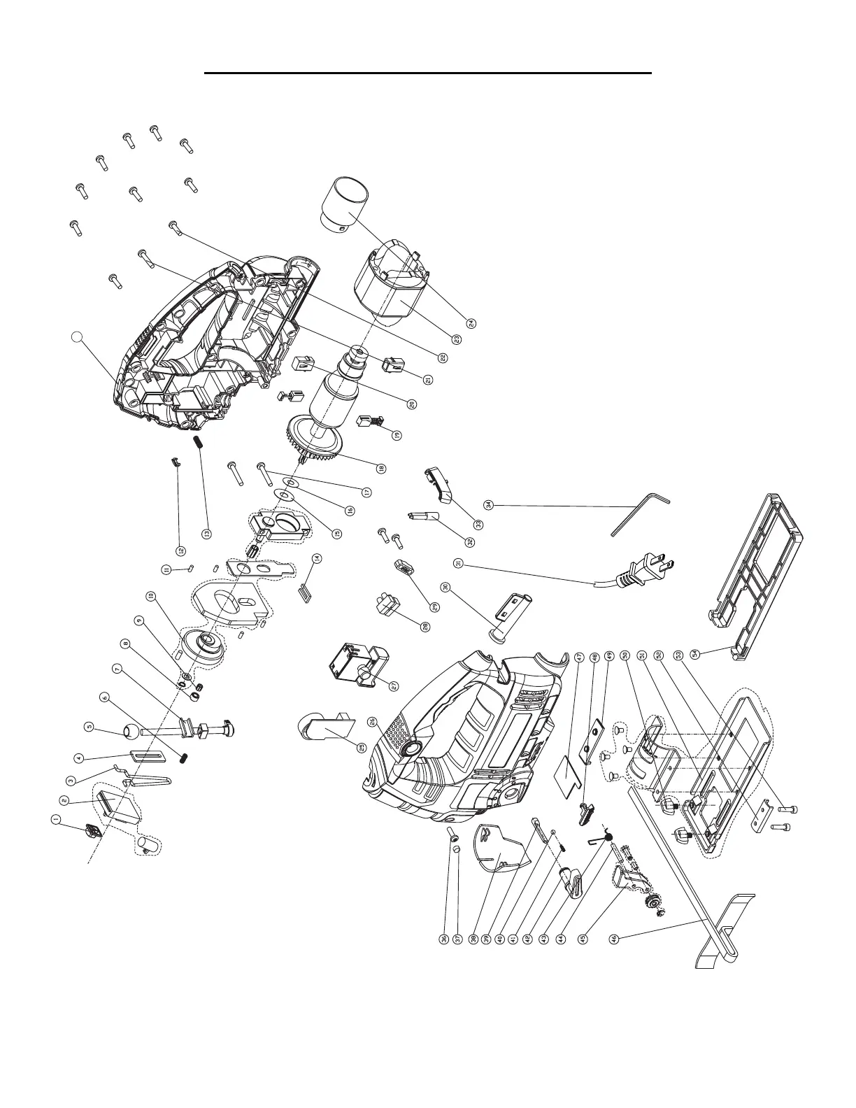
EXPLODED VIEW & PARTS LIST
55

Other manuals for Wen 33606