EasyManua.ls Logo

Weslo WLTL39321 - Page 30

Weslo WLTL39321
30 pages
Print Icon
To Previous Page IconTo Previous Page
To Previous Page IconTo Previous Page
Loading...
90
79
79
30*
114
114
83
83
101
91
72
82
104
97
101
17
99
101
17
86
95
15
15
95
86
97
101
97
101
104
104
104
97
101
77
76
105
56
11
13
14
79
85
102
79
85
102
89
89
47
29
47
29
58
58
58
94
58
87
68
88
101
96
78
68
68
68
68
93
50
9
10
20
20
52
52
29
29
110
118
118
68
113
52
115
115
98
120
60
112
112
72
107
121
23
101
101
52
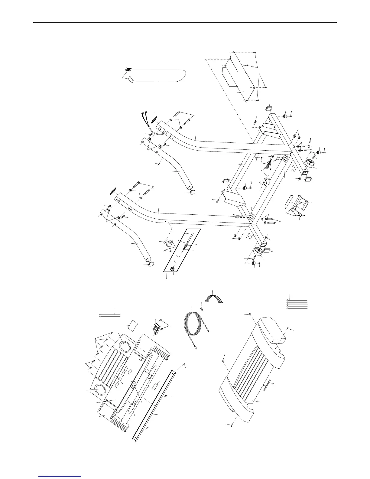
EXPLODED DRAWING—Model No. WLTL39321 R0902A

Related product manuals