EasyManua.ls Logo

Whirlpool RBD245PD - Schematic Diagram 2 (Tech Sheet 4451888 A)

Whirlpool RBD245PD
59 pages
Print Icon
To Next Page IconTo Next Page
To Next Page IconTo Next Page
To Previous Page IconTo Previous Page
To Previous Page IconTo Previous Page
Loading...
7-4
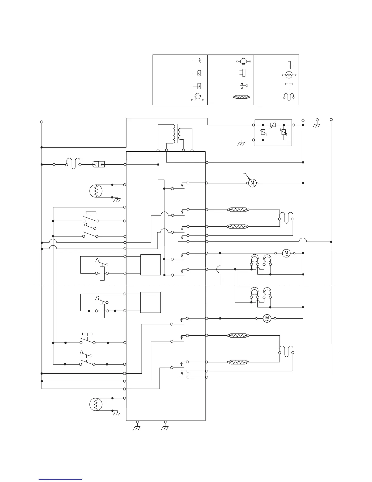
SCHEMATIC DIAGRAM 2
L2
N
L1
UPPER
LOWER
+5V
CONTROL POWER
TRANS FORMER
CONV. FAN
BAKE-2000 W
BROIL-3000 W
BAKE-2000 W
BROIL-3000 W
TA N
LATCH
SWITCH
DOOR
SWITCH
BR
BU
V
DOOR
SWITCH
BR/W
BU/W
V/W
GN
GN
R
OR
GY
W
W
BK
OR
R
OR
GY
BK
GN
W
BK
BK
t°
t
BK
(OPERATED BY
SOLENOID)
BLOWER
GND
BK
BK
P23-4
P23-1
P23-2
P23-3
P23-7
P23-8
P23-5
P23-6
P27-2
P26-2
P26-4
P24-4
P24-5
P18-1
P18-4
P24-6
P24-1
BLOWER
BK
W
BK
W
OR
OR
TA N
TA N
W
W
SWITCH PULSE
P26-3
P26-1
W
W
BR
BR
(OPERATED BY
SOLENOID)
LATCH
SWITCH
TA N
TA N
BR
BR
Y
GY
DOOR LOCK
SOLENOID
ON LATCH ASSY
ON LATCH ASSY
R
R
THERM AL
FUSE
UPPER
LATCH
DRIVE
CIRCUIT
+
-
Y/W
GY/W
DOOR LOCK
SOLENOID
LOWER
LATCH
DRIVE
CIRCUIT
+
-
BU
R
BU
R
P18-3
P18-2
P25-1
P25-2
P25-3
P25-4
BK
BK
GN
P16-1
P16-3P16-2P16-7P16-5
ELECTRONIC FILTER-WP #4451985
INCAND ESCENT
15W/BULB
BK
P27-4
INCAND ESCENT
15W/BULB
R/W
R
DOUBLE
LINE
BREAK
RELAY
R/W
R
DOUBLE LINE
BREAK RELAY
P24-3
BR
BR
W
THERMAL
FUSE/T.O.D.
GROUND (CHASSIS)
PLUG WITH FEMALE
CONNECTOR
RECEPTACLE WITH
MALE CONNECTOR
LIGHT
AC DRIVE
MOTOR
RELAY
CONTACTS
HEATING
ELEMENT
SOLENOID
ENCLOSED
THERMISTOR
OPERATED
BY DOOR
RELAY COIL
M
t
TEMP SENSOR
1080 @ 21˚C (70˚F)
1654 @ 177˚C (350˚F)
TEMP SENSOR
1080 @ 21˚C (70˚F)
1654 @ 177˚C (350˚F)
ELECTRONIC CONTROL
WIRE HARNESS SCHEMATIC
NOTES:
• When replacing the electronic control,
be sure to program the cavity size (see
page 6-1).
• Dots indicate connections or splices.
• The circuit is shown in the STANDBY/OFF
mode with the oven door closed.
PART NUMBER 4451888 REV. A

Table of Contents

Other manuals for Whirlpool RBD245PD

Related product manuals