EasyManua.ls Logo

Whirlpool RBD245PD - Schematic Diagram 3 (Tech Sheet 4452022 A)

Whirlpool RBD245PD
59 pages
Print Icon
To Next Page IconTo Next Page
To Next Page IconTo Next Page
To Previous Page IconTo Previous Page
To Previous Page IconTo Previous Page
Loading...
7-7
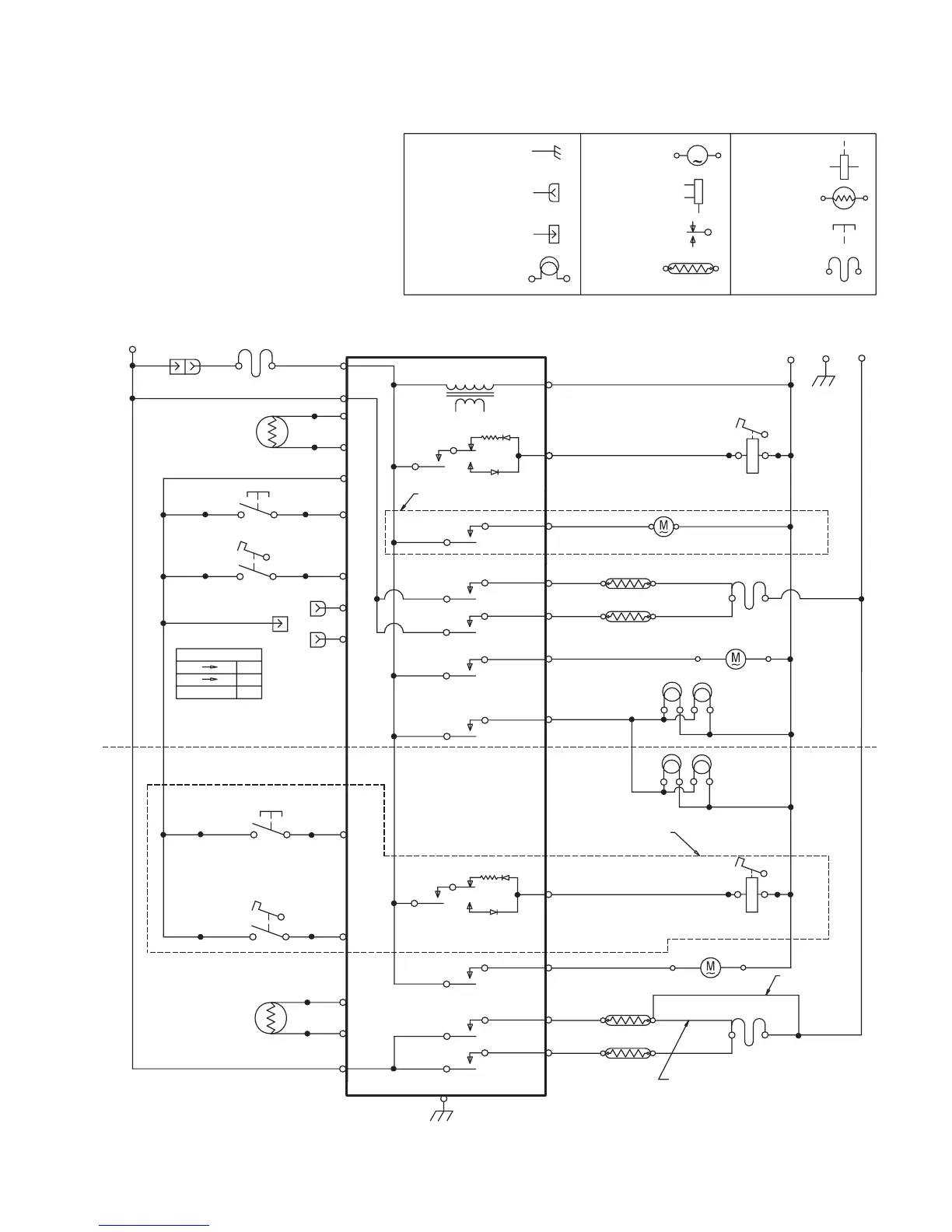
SCHEMATIC DIAGRAM 3
PART NUMBER 4452022 REV. A
OPEN
L2
N
L1
ELECTRONIC CONTROL - WP #4448876
CAVITY SIZE
SELECT
UPPER
LOWER
CONTROLL
BOARD
POWER
BAKE-2000W
BAKE-2000W
PULSE
RELAY
PULSE
RELAY
TAN
BR
BU
BR/W
BU/W
R
OR
OR
R
OR
GY
R
OR
R
W
BK
V
V
V/W
V/W
GN
W
W
W
BK
GY/W
Y
OR
LLOCK
UNLOCK
BK
BK
W
t˚
t˚
W
GND
BK
P5-1
P2-3
P2-4
P3-1
P3-3
P3-2
P3-6
P3-7
P3-5
P3-4
P2-1
P2-2
P5-2
P4-1
P4-3
P6-1
P6-2
P4-4
P4-10
P4-7
P4-8
P6-3
P6-4
P4-6
P4-5
LOCK
UNLOCK
W
W
BU
BU
W
W
W
W
NC
NO
NC
NO
BK
P7-1
Y
W
Y
W
Y
W
BK
W
BK
Y
R
R
OR
R
THERMAL
FUSE/T.O.D.
GROUND (CHASSIS)
PLUG WITH FEMALE
CONNECTOR
RECEPTACLE WITH
MALE CONNECTOR
LIGHT
AC DRIVE
MOTOR
RELAY
CONTACTS
HEATING
ELEMENT
SOLENOID
ENCLOSED
THERMISTOR
OPERATED
BY DOOR
RELAY COIL
M
t
THERMAL FUSE
TEMP SENSOR
TEMP SENSOR
+5V SWITCH PULSE
DOOR
SWITCH
DOOR SWITCH (ON LATCH
ASSEMBLY)
LATCH SWITCH (OPERATED
BY SOLENOID)
DOOR LOCK SOLENOID
LATCH SWITCH (OPERATED
BY SOLENOID)
TAN
TAN
TAN TAN
TAN
TANTAN
TANTAN
TAN
TAN
CAVITY SIZE
24˝
27˝
30˝
TAN
Y
TAN
OR
CONVECTIION MODELS ONLY
DOOR LOCK
SOLENOID
CONV. FAN
BROIL-3000W
BROIL-3000W
SELF CLEAN
MODELS ONLY
SELF CLEAN
MODELS ONLY
STANDARD CLEAN
MODELS ONLY
BLOWER
INCANDESCENT
15W BULB
INCANDESCENT
15W BULB
WIRE HARNESS SCHEMATIC
NOTES:
When replacing the electronic control,
be sure to attach the cavity select line
to the proper terminal (see Cavity Size
table below).
Dots indicate connections or splices.
The circuit is shown in the STANDBY/OFF
mode with the oven door closed.

Table of Contents

Other manuals for Whirlpool RBD245PD

Related product manuals