EasyManua.ls Logo

Whirlpool RBD245PD - Page 55

Whirlpool RBD245PD
59 pages
Print Icon
To Next Page IconTo Next Page
To Next Page IconTo Next Page
To Previous Page IconTo Previous Page
To Previous Page IconTo Previous Page
Loading...
7-9
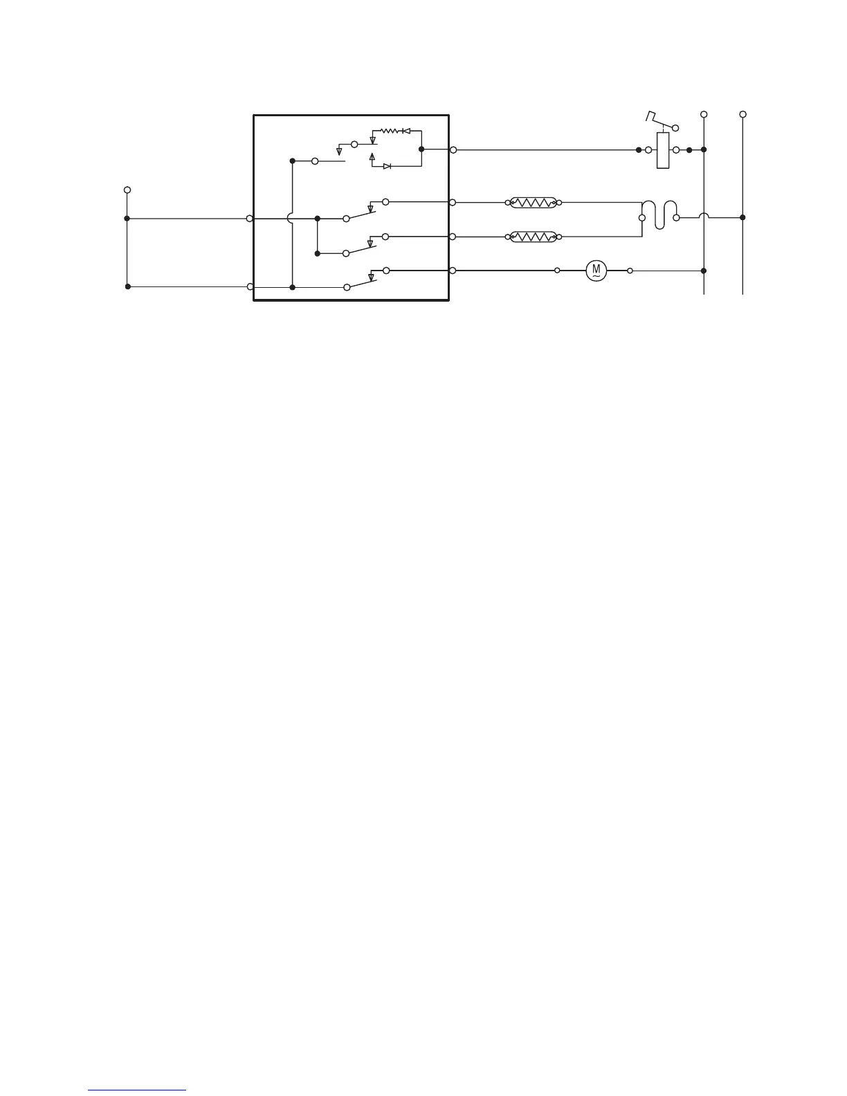
PREHEAT CLEAN (BELOW 600˚F)
R
OR
LOCK
UNLOCK
L2
N
W
GY
Y
W
W
Y
(GY/W)
P6-4
(P6-1)
P4-6
(P4-3)
P6-3
(P6-2)
L1
BK
P5-1
BK
P7-1
(P5-2)
(P4-4)
P4-7
R
OR
R
BAKE-2000W
BROIL-3000W
BLOWER
PULSE
RELAY

Table of Contents

Other manuals for Whirlpool RBD245PD

Related product manuals