EasyManua.ls Logo

Whirlpool RBD305PD - Page 52

Whirlpool RBD305PD
59 pages
Print Icon
To Next Page IconTo Next Page
To Next Page IconTo Next Page
To Previous Page IconTo Previous Page
To Previous Page IconTo Previous Page
Loading...
7-6
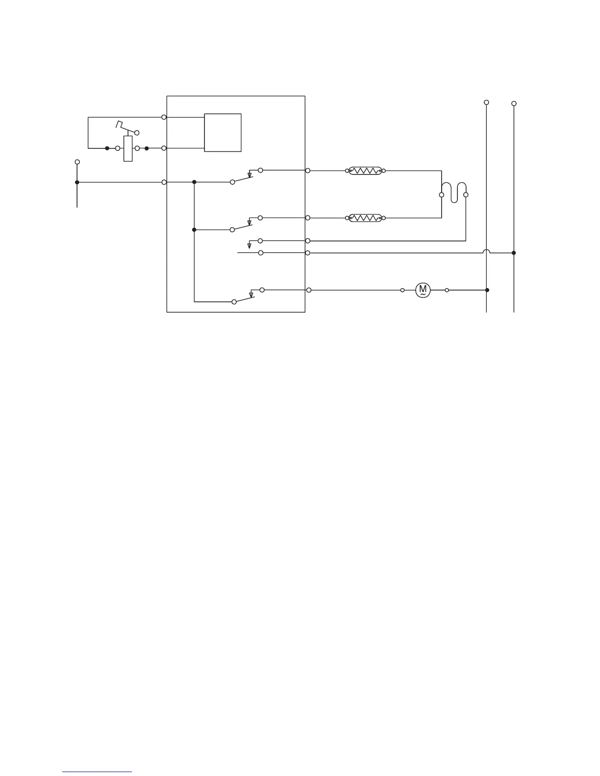
CLEAN & PREHEAT CLEAN
(SELF CLEAN MODELS ONLY)
BAKE-2000W
R
L1
L2
N
BROIL-3000W
OR
OR
GY
BLOWER
W
BK
P18-1
(P26-2)
R
Y
(Y/W)
(GY/W)
(BR)(BR)
GY
DOOR LOCK
SOLENOID
LATCH
DRIVE
CIRCUIT
+
-
P25-1
P25-2
P18-4
(P26-4)
P24-5
(P27-2)
*
(*)
(P25-3)
(P25-4)
R/W
R
DOUBLE
LINE
BREAK
RELAY

Table of Contents

Related product manuals