EasyManua.ls Logo

Whirlpool WAHMS - Complete Installation; Pre-Start Check

Whirlpool WAHMS
20 pages
Print Icon
To Next Page IconTo Next Page
To Next Page IconTo Next Page
To Previous Page IconTo Previous Page
To Previous Page IconTo Previous Page
Loading...
17
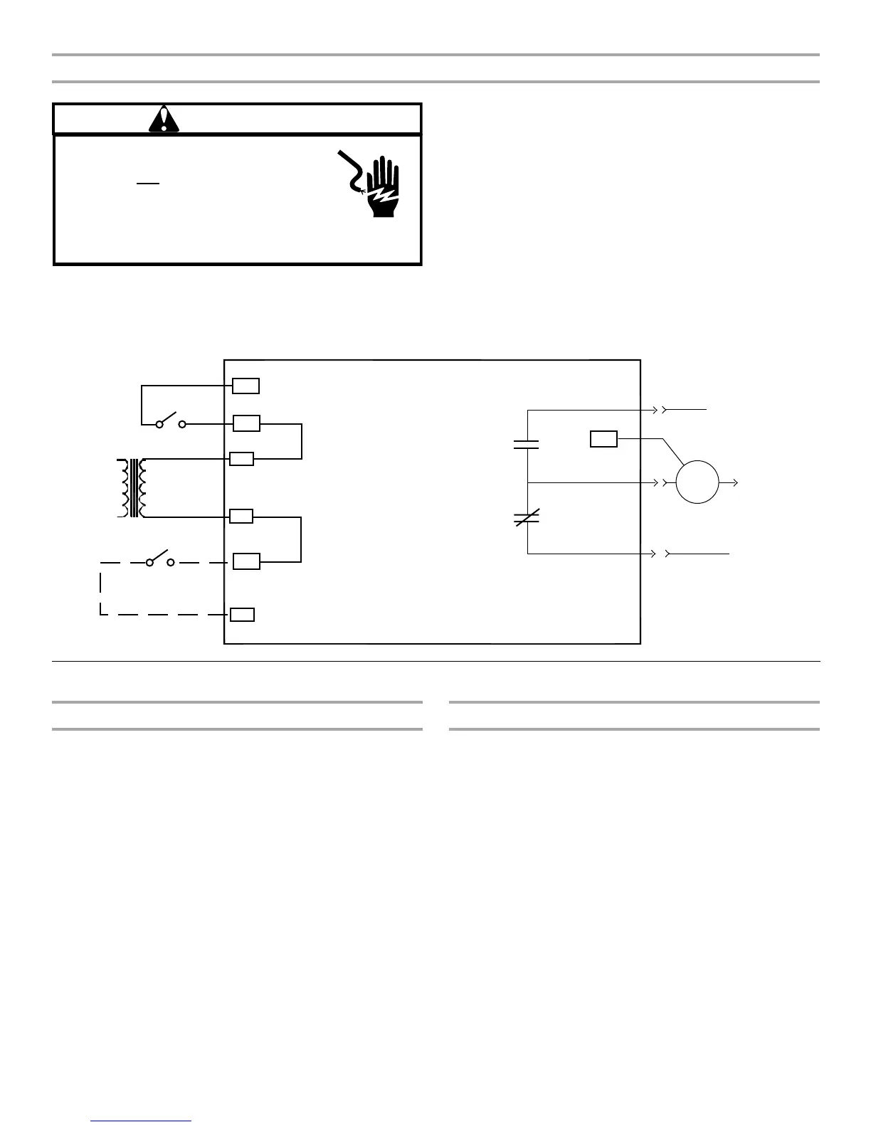
Electronic Blower Time Delay Relay
The electronic blower time delay relay provides power to the
blower motor with a delay of 7 seconds after 24V AC is applied to
G. After 24V AC is removed from G, the blower motor output is
de-energized after a delay of 65 seconds.
Field Test Mode
Shorting the Speedup quick connect to C decreases times as
follows:
NOTE: Field test mode is canceled when the Speedup quick
connect to C short is removed.
Complete Installation
Achieving 2% Low Leakage Rate
Ensure that the Neoprene gasket with PSA remains intact on
all surfaces where the access panels are secured. These
surfaces are the entire length of the wrapper and areas
between the upper tie plate, the upper and lower access
panels.
Check that the upper access panel breaker insert gasket is
intact.
Check that the flowrator gasket is installed on the lower
access panel.
An additional drain hole cover is required.
NOTE: Refer to the outdoor unit installation instructions for
system start-up instructions and refrigerant charging instructions.
Pre-Start Check
Is the air handler properly located, level, secure, and
serviceable?
Has an auxiliary pan been provided under the air handler with
a separate drain for the air handlers installed above a finished
ceiling or in any installation where condensate overflow could
cause damage?
Have all the webs been removed from the drain connections
that are being used? Have all of the unused drain pan plugs
been properly plugged?
Has the condensate line been properly sized, run, trapped,
pitched, and tested?
Is the ductwork correctly sized, run, taped, and insulated?
Goodman 6
HIGH VOLTAGE!
WARNING
Disconnect ALL power before servicing.
Multiple power sources may be present.
Failure to do so may cause property damage,
personal injury or death.
Normal Time Delays 60Hz 50Hz
Turn On Delay 7 sec. ± 1% 8.4 sec. ± 1%
Turn Off Delay 65 sec. ± 1% 78 sec. ± 1%
Speedup Times 60Hz 50Hz
Turn On Delay 3 sec. ± 1% 3.6 sec. ± 1%
Turn Off Delay 5 sec. ± 1% 6 sec. ± 1%
120/240 V AC
TSTAT
O
ptional
S
peedup
24 V AC
S
ystem
Transformer
C
Speedup
XFMR-R
Park Terminal
K1
K1
F
or Use With
Neutral
G
Heat Kit
M
otor
XFMR-C
R
M1

Other manuals for Whirlpool WAHMS

Related product manuals