EasyManua.ls Logo

Wilfa Cool 7 - SCHEMATIC DIAGRAMS

Wilfa Cool 7
29 pages
Print Icon
To Next Page IconTo Next Page
To Next Page IconTo Next Page
To Previous Page IconTo Previous Page
To Previous Page IconTo Previous Page
Loading...
27
English
English
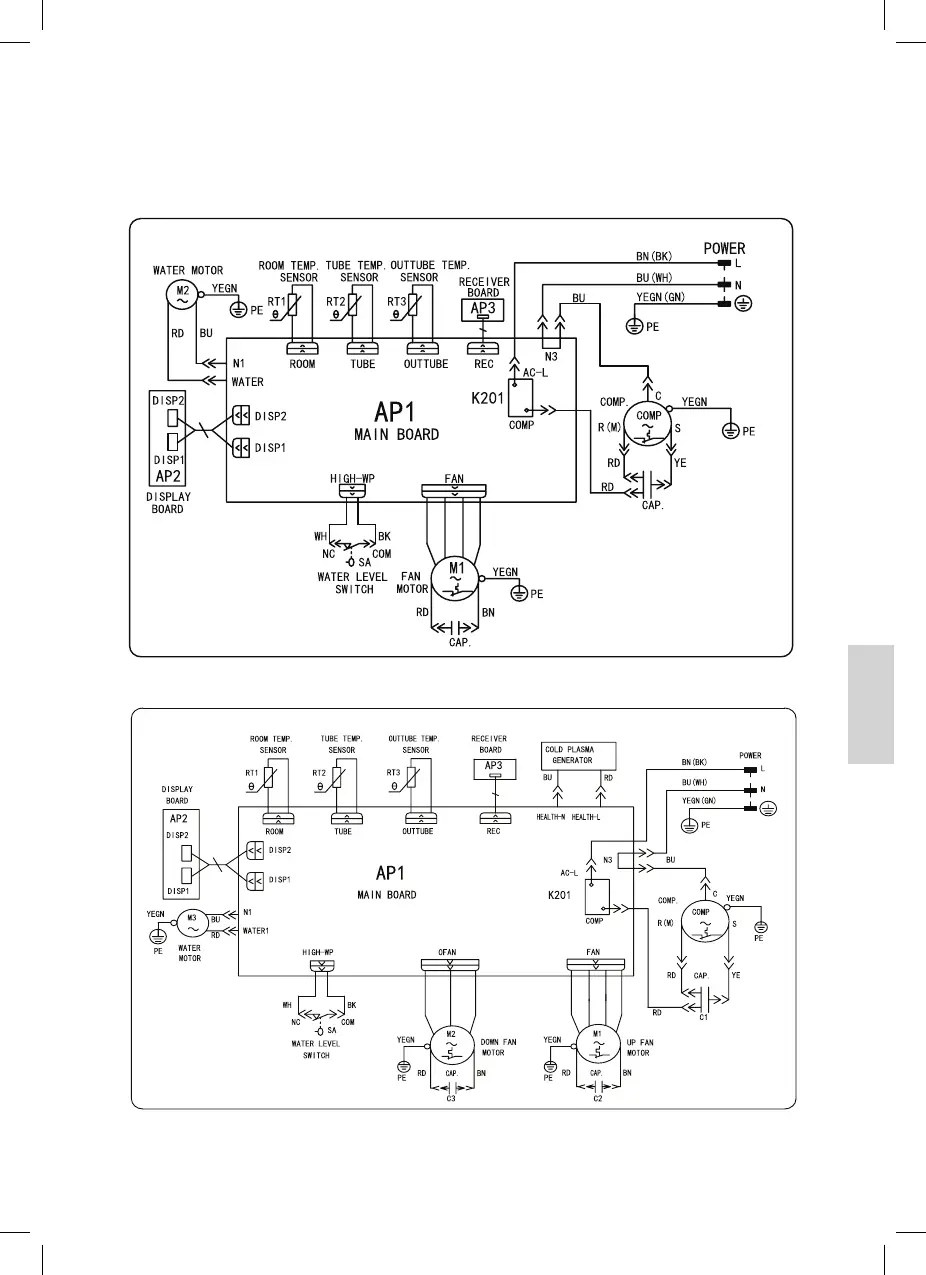
ELECTRIC SCHEMATIC DIAGRAM
Cool 7
Cool 12

Related product manuals