EasyManua.ls Logo

Wilton 2232AC - Exploded View - Manual Speed Control Drill Head

Default Icon
28 pages
Print Icon
To Next Page IconTo Next Page
To Next Page IconTo Next Page
To Previous Page IconTo Previous Page
To Previous Page IconTo Previous Page
Loading...
18
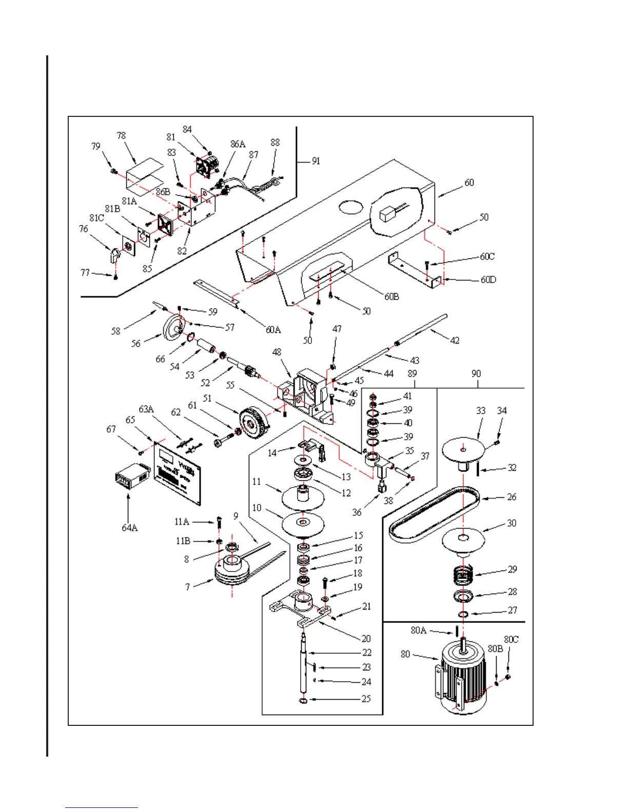
Exploded View — Drill Head — Manual Speed Control
(Models 2221VS and 2223VS)

Related product manuals