EasyManua.ls Logo

Wilton 2234AC - Wiring Diagram - Inverter Speed Control Models

Default Icon
28 pages
Print Icon
To Next Page IconTo Next Page
To Next Page IconTo Next Page
To Previous Page IconTo Previous Page
To Previous Page IconTo Previous Page
Loading...
14
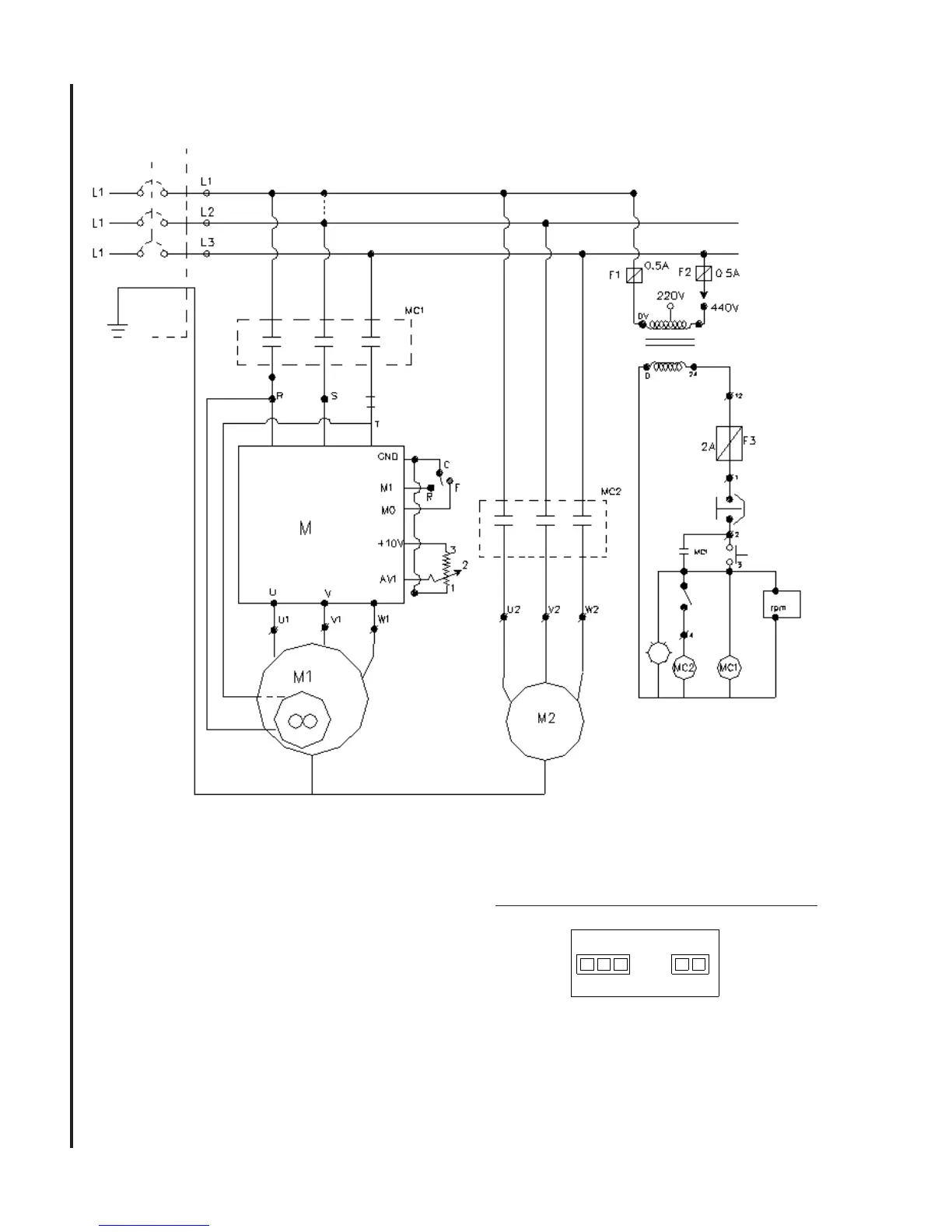
Wiring Diagram - Models 2232AC & 2234AC
LED Display Connection
0 220
AC Power
Sensor
Volts
- +
Input
3 Phase 220/440

Related product manuals