EasyManua.ls Logo

Wilton 4103 - Exploded View - Square Wheel Belt Grinder

Wilton 4103
28 pages
Print Icon
To Next Page IconTo Next Page
To Next Page IconTo Next Page
To Previous Page IconTo Previous Page
To Previous Page IconTo Previous Page
Loading...
14
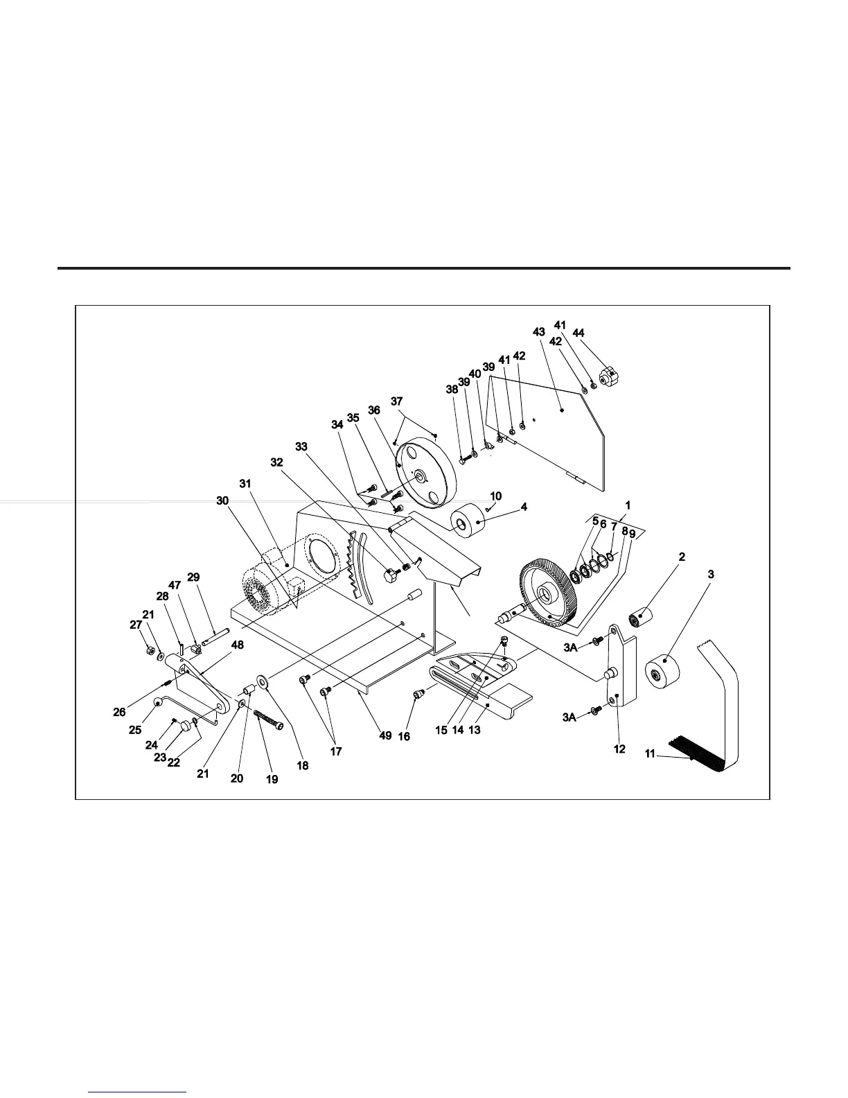
Exploded View - Square Wheel Belt Grinder
4
5

Other manuals for Wilton 4103

Related product manuals